• ISSN 0258-2724
  • CN 51-1277/U
  • EI Compendex
  • Scopus
  • Indexed by Core Journals of China, Chinese S&T Journal Citation Reports
  • Chinese S&T Journal Citation Reports
  • Chinese Science Citation Database
Volume 60 Issue 4
Aug.  2025
Turn off MathJax
Article Contents
LUO Cheng, TANG Hao, WAN Guohao, WANG Ying, LI Songqi, LUO Jun. Acceleration Feedback Control of Bilateral Permanent Magnet and Electromagnetic Hybrid Electrodynamic Suspension[J]. Journal of Southwest Jiaotong University, 2025, 60(4): 1024-1031. doi: 10.3969/j.issn.0258-2724.20240551
Citation: LUO Cheng, TANG Hao, WAN Guohao, WANG Ying, LI Songqi, LUO Jun. Acceleration Feedback Control of Bilateral Permanent Magnet and Electromagnetic Hybrid Electrodynamic Suspension[J]. Journal of Southwest Jiaotong University, 2025, 60(4): 1024-1031. doi: 10.3969/j.issn.0258-2724.20240551

Acceleration Feedback Control of Bilateral Permanent Magnet and Electromagnetic Hybrid Electrodynamic Suspension

doi: 10.3969/j.issn.0258-2724.20240551
  • Received Date: 30 Oct 2024
  • Rev Recd Date: 27 Mar 2025
  • Available Online: 17 May 2025
  • Publish Date: 07 Apr 2025
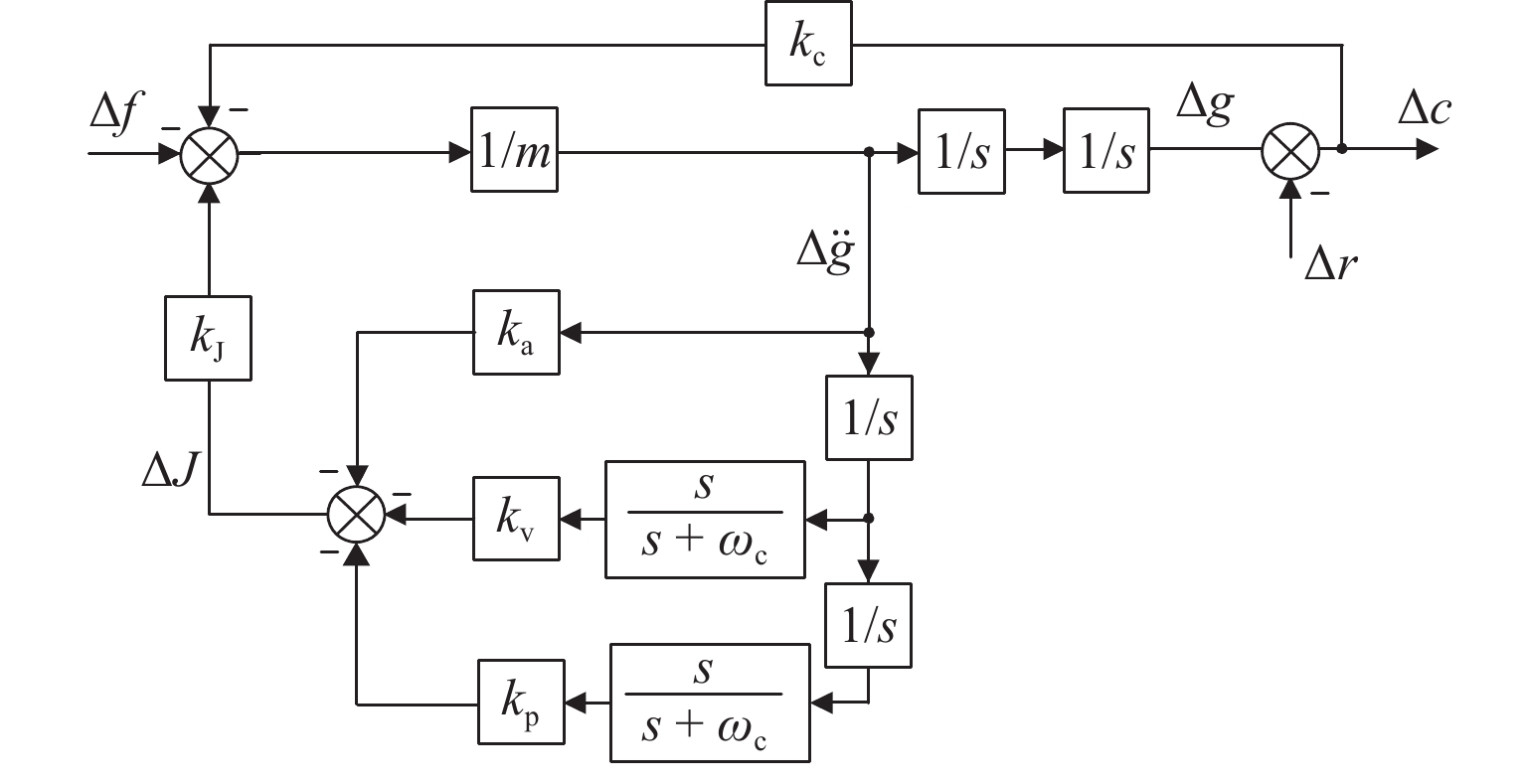
  • To improve the dynamic stability of the permanent magnet (PM) electrodynamic suspension (EDS) and reduce the drag during low-speed operation, a bilateral PM and electromagnetic hybrid EDS system was studied. Firstly, a 2D analytical expression of the system electromagnetic force was derived based on Maxwell’s equations. The analytical results were verified by finite element numerical calculations, with a comparison of the electromagnetic force characteristics between unilateral and bilateral structures. Secondly, a suspension dynamic model of the system was established, and an acceleration feedback suspension controller was designed. Finally, a comparative analysis of the air gap, acceleration, and current waveforms under acceleration feedback suspension control and air gap feedback PID control was carried out through Simulink simulation when the system was subjected to track and load disturbances. The results show that the bilateral structure effectively increases the system float-to-drag ratio. At an operating speed of 100 km/h, the float-to-drag ratio for the unilateral and bilateral structures are 3.18 and 15.43, respectively. When the system is subjected to ± 1 mm track disturbances, the controller enables the system vibration acceleration and suspension air gap to quickly stabilize at rated positions of 0 and 20 mm, respectively. When the system is subjected to ± 2 000 N load disturbances, the acceleration feedback suspension controller allows the suspension air gap to quickly stabilize at 19.05 mm and 20.96 mm, respectively, while the PID controller stabilizes the coil current at 4.43 A/mm2 and −4.66 A/mm2, respectively. During stable operation, the steady-state coil current under the acceleration feedback suspension control is 0, while the steady-state suspension air gap under the PID control is 0. The system quickly returns to its initial rated operating state after the disturbances are eliminated.

     

  • loading
  • [1]
    FLANKL M, WELLERDIECK T, TÜYSÜZ A, et al. Scaling laws for electrodynamic suspension in high-speed transportation[J]. IET Electric Power Applications, 2018, 12(3): 357-364. doi: 10.1049/iet-epa.2017.0480
    [2]
    刘士苋,王磊,王路忠,等. 电动悬浮列车及车载超导磁体研究综述[J]. 西南交通大学学报,2023,58(4): 734-753. doi: 10.3969/j.issn.0258-2724.20220621

    LIU Shixian, WANG Lei, WANG Luzhong, et al. Review on electrodynamic suspension trains and on-board superconducting magnets[J]. Journal of Southwest Jiaotong University, 2023, 58(4): 734-753. doi: 10.3969/j.issn.0258-2724.20220621
    [3]
    胡永攀,曾杰伟,王志强,等. 超高速永磁电动悬浮系统性能优化[J]. 西南交通大学学报,2023,58(4): 773-782. doi: 10.3969/j.issn.0258-2724.20230526

    HU Yongpan, ZENG Jiewei, WANG Zhiqiang, et al. Performance optimization of ultra-high speed permanent magnet electrodynamic suspension system[J]. Journal of Southwest Jiaotong University, 2023, 58(4): 773-782. doi: 10.3969/j.issn.0258-2724.20230526
    [4]
    BEAULOYE L, DEHEZ B. Permanent magnet electrodynamic suspensions applied to maglev transportation systems: a review[J]. IEEE Transactions on Transportation Electrification, 2023, 9(1): 748-758. doi: 10.1109/TTE.2022.3193296
    [5]
    王滢,张昆仑,张慧娴,等. 高速磁浮交通系统制式特征与适应性[J]. 前瞻科技,2023,2(4): 19-30.

    WANG Ying, ZHANG Kunlun, ZHANG Huixian, et al. Characteristics and adaptability of different types of high-speed maglev transportation systems[J]. Science and Technology Foresight, 2023, 2(4): 19-30.
    [6]
    石洪富,邓自刚,黄欢,等. 零磁通线圈式永磁电动悬浮设计及特性研究[J]. 西南交通大学学报,2023,58(4): 853-862. doi: 10.3969/j.issn.0258-2724.20211062

    SHI Hongfu, DENG Zigang, HUANG Huan, et al. Design and characteristics of null-flux permanent magnet electrodynamic suspension system[J]. Journal of Southwest Jiaotong University, 2023, 58(4): 853-862. doi: 10.3969/j.issn.0258-2724.20211062
    [7]
    CHEN Y, ZHANG W L, BIRD J Z, et al. A 3-D analytic-based model of a null-flux Halbach array electrodynamic suspension device[J]. IEEE Transactions on Magnetics, 2015, 51(11): 8300405.1-8300405.5.
    [8]
    罗成,张昆仑,靖永志. 新型Halbach阵列永磁电动悬浮系统垂向稳定性[J]. 交通运输工程学报,2019,19(2): 101-109. doi: 10.3969/j.issn.1671-1637.2019.02.010

    LUO Cheng, ZHANG Kunlun, JING Yongzhi. Vertical stability of permanent magnet EDS system with novel Halbach array[J]. Journal of Traffic and Transportation Engineering, 2019, 19(2): 101-109. doi: 10.3969/j.issn.1671-1637.2019.02.010
    [9]
    KRATZ R, POST R F. A null-current electro-dynamic levitation system[J]. IEEE Transactions on Applied Superconductivity, 2002, 12(1): 930-932. doi: 10.1109/TASC.2002.1018551
    [10]
    陈殷,张昆仑. 板式双边永磁电动悬浮电磁力计算[J]. 电工技术学报,2016,31(24): 150-156.

    CHEN Yin, ZHANG Kunlun. Calculation of electromagnetic force of plate type null double side permanent magnet electrodynamic suspension[J]. Transactions of China Electrotechnical Society, 2016, 31(24): 150-156.
    [11]
    陈殷. 低速永磁电动悬浮电磁力特性研究[D]. 成都:西南交通大学,2015.
    [12]
    POST R F, RYUTOV D. The Inductrack concept: a new approach to magnetic levitation[R]. Livermore: Lawrence Livermore National Laboratory, 1996.
    [13]
    POST R F. Inductrack demonstration model[R]. Livermore: Lawrence Livermore National Laboratory, 1998.
    [14]
    KO W. Modeling and analysis of the EDS Maglev system with the Halbach magnet array[D]. Orlando: University of Central Florida, 2007.
    [15]
    HAN Q H. Analysis and modeling of the EDS Maglev system based on the Halbach permanent magnet array[D]. Orlando: University of Central Florida, 2004.
    [16]
    关炎培. 真空管道磁悬浮列车永磁电动与电磁混合悬浮支承研究[D]. 武汉:武汉理工大学,2018.
    [17]
    熊振宇. EDS与EMS混合磁悬浮支承结构分析与优化设计[D]. 武汉:武汉理工大学,2019.
    [18]
    马于龙,胡业发,陈昌皓,等. 基于Halbach的磁悬浮列车过曲线轨道的控制研究[J]. 武汉理工大学学报(信息与管理工程版),2018,40(1): 113-116. doi: 10.3963/j.issn.2095-3852.2018.01.021

    MA Yulong, HU Yefa, CHEN Changhao, et al. Research on the control of over levitation trajectory of magnetic levitation vehicle based on Halbach[J]. Journal of Wuhan University of Technology (Information & Management Engineering), 2018, 40(1): 113-116. doi: 10.3963/j.issn.2095-3852.2018.01.021
    [19]
    CHEN S S, ZHU S, CAI Y. On the unsteady-motion theory of magnetic forces for Maglev[R]. Argonne, IL: Argonne National Laboratory, 1996.
    [20]
    ZHU S, CAI Y, ROTE D M, et al. Magnetic damping for maglev[J]. Shock and Vibration, 1988, 5(2): 119-128.
    [21]
    ZHAO M T, GE Q X, GAO Z, et al. Analysis of electromagnetic and damping characteristics of permanent magnet electrodynamic suspension system[C]//2021 13th International Symposium on Linear Drives for Industry Applications (LDIA). Wuhan: IEEE, 2021: 1-6.
    [22]
    乔冲. 永磁高速电动悬浮系统永磁被动阻尼方案研究[D]. 成都:西南交通大学,2021.
    [23]
    乔冲,单磊,马卫华,等. 基于Halbach阵列的永磁被动阻尼方案研究[J]. 机械,2021,48(5): 29-36.

    QIAO Chong, SHAN Lei, MA Weihua, et al. Simulation analysis of permanent magnet passive damping method based on Halbach array[J]. Machinery, 2021, 48(5): 29-36.
    [24]
    LUO C, ZHANG K L, DUAN J H, et al. Study of permanent magnet electrodynamic suspension system with a novel Halbach array[J]. Journal of Electrical Engineering & Technology, 2020, 15(2): 969-977.
    [25]
    陈殷,张昆仑. Halbach永磁阵列空间磁场的解析计算[J]. 磁性材料及器件,2014,45(1): 1-4,9. doi: 10.3969/j.issn.1001-3830.2014.01.001

    CHEN Yin, ZHANG Kunlun. Analytic calculation of the magnetic field created by Halbach permanent magnets array[J]. Journal of Magnetic Materials and Devices, 2014, 45(1): 1-4,9. doi: 10.3969/j.issn.1001-3830.2014.01.001
    [26]
    雷银照. 时谐电磁场解析方法[M]. 北京:科学出版社,2000.
    [27]
    赵博,张洪亮. Ansoft 12在工程电磁场中的应用[M]. 北京:中国水利水电出版社,2010.
    [28]
    王莉. 混合EMS磁悬浮系统研究[D]. 成都:西南交通大学,2006.
    [29]
    罗成. 永磁电磁混合Halbach阵列电动悬浮特性及稳定控制研究[D]. 成都:西南交通大学,2021.
    [30]
    李云钢,常文森. 磁浮列车悬浮系统的串级控制[J]. 自动化学报,1999,25(2): 247-251.

    LI Yungang, CHANG Wensen. Cascade control of an EMS maglev vehicle’s levitation control system[J]. Acta Automatica Sinica, 1999, 25(2): 247-251.
  • 加载中

Catalog

    通讯作者: 陈斌, bchen63@163.com
    • 1. 

      沈阳化工大学材料科学与工程学院 沈阳 110142

    1. 本站搜索
    2. 百度学术搜索
    3. 万方数据库搜索
    4. CNKI搜索

    Figures(11)  / Tables(1)

    Article views(363) PDF downloads(29) Cited by()
    Proportional views
    Related

    /

    DownLoad:  Full-Size Img  PowerPoint
    Return
    Return