• ISSN 0258-2724
  • CN 51-1277/U
  • EI Compendex
  • Scopus 收录
  • 全国中文核心期刊
  • 中国科技论文统计源期刊
  • 中国科学引文数据库来源期刊

双边永磁电磁混合型电动悬浮加速度反馈控制

罗成 唐浩 万郭豪 王滢 黎松奇 罗俊

罗成, 唐浩, 万郭豪, 王滢, 黎松奇, 罗俊. 双边永磁电磁混合型电动悬浮加速度反馈控制[J]. 西南交通大学学报, 2025, 60(4): 1024-1031. doi: 10.3969/j.issn.0258-2724.20240551
引用本文: 罗成, 唐浩, 万郭豪, 王滢, 黎松奇, 罗俊. 双边永磁电磁混合型电动悬浮加速度反馈控制[J]. 西南交通大学学报, 2025, 60(4): 1024-1031. doi: 10.3969/j.issn.0258-2724.20240551
LUO Cheng, TANG Hao, WAN Guohao, WANG Ying, LI Songqi, LUO Jun. Acceleration Feedback Control of Bilateral Permanent Magnet and Electromagnetic Hybrid Electrodynamic Suspension[J]. Journal of Southwest Jiaotong University, 2025, 60(4): 1024-1031. doi: 10.3969/j.issn.0258-2724.20240551
Citation: LUO Cheng, TANG Hao, WAN Guohao, WANG Ying, LI Songqi, LUO Jun. Acceleration Feedback Control of Bilateral Permanent Magnet and Electromagnetic Hybrid Electrodynamic Suspension[J]. Journal of Southwest Jiaotong University, 2025, 60(4): 1024-1031. doi: 10.3969/j.issn.0258-2724.20240551

双边永磁电磁混合型电动悬浮加速度反馈控制

doi: 10.3969/j.issn.0258-2724.20240551
基金项目: 国家重点研发计划(2024YFF0508001);国家自然科学基金项目(52372364)
详细信息
    作者简介:

    罗成(1987—),男,高级实验师,博士,研究方向为电动悬浮,E-mail:luocheng1987.happy@163.com

  • 中图分类号: TM154.1;U266.4

Acceleration Feedback Control of Bilateral Permanent Magnet and Electromagnetic Hybrid Electrodynamic Suspension

  • 摘要:

    为提升永磁电动悬浮动态稳定性及减小低速运行时的阻力,研究一种双边永磁电磁混合型电动悬浮系统. 首先,基于麦克斯韦方程组推导系统电磁力2D解析式,对解析结果进行有限元数值计算验证,并对比单、双边结构电磁力特性;然后,建立系统悬浮动力学模型,并设计加速度反馈悬浮控制器;最后,利用Simulink仿真,对比分析在加速度反馈悬浮控制和气隙反馈PID控制下,系统受到轨道及载荷扰动时的气隙、加速度及电流波形. 研究结果表明:双边结构可有效增加系统浮阻比,100 km/h运行时单、双边结构浮阻比分别为3.18和15.43;当系统受到 ±1 mm轨道扰动时,控制器能使系统振动加速度及悬浮气隙分别快速稳定于0和20 mm额定位置;当系统受到 ±2000 N载荷扰动时,加速度反馈悬浮控制器可使系统悬浮气隙分别快速稳定于19.05 mm和20.96 mm,而PID控制器则使得线圈电流分别稳定于4.43 A/mm2和 −4.66 A/mm2;当系统稳定运行时,加速度反馈悬浮控制下的线圈稳态电流均为0,而PID控制下的稳态悬浮气隙均为0,且当各种扰动消除后,系统均可快速恢复到初始额定运行状态.

     

  • 图 1  双边永磁电磁混合型电动悬浮示意

    Figure 1.  Bilateral PM and electromagnetic hybrid EDS system

    图 2  2D有限元模型

    Figure 2.  2D FEM

    图 3  磁力线分布(vx=100 km/h)

    Figure 3.  Distribution of magnetic field line (vx = 100 km/h)

    图 4  磁感应强度矢量图(vx=100 km/h)

    Figure 4.  Vector diagram of magnetic induction intensity (vx = 100 km/h)

    图 5  不同运行速度下的电磁力

    Figure 5.  Electromagnetic forces at different operating speeds

    图 6  浮阻比

    Figure 6.  Float-to-drag ratio

    图 7  系统开环结构框图

    Figure 7.  Block diagram of system open-loop structure

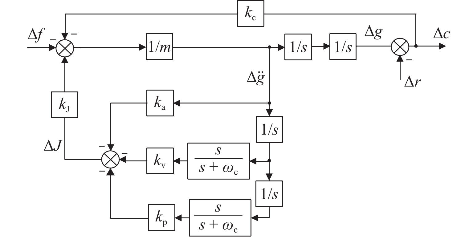
    图 8  加速度反馈悬浮控制系统框图

    Figure 8.  Block diagram of acceleration feedback suspension control system

    图 9  加速度反馈悬浮控制仿真框图

    Figure 9.  Simulation block diagram of acceleration feedback suspension control

    图 10  轨道扰动下的绝对气隙、悬浮气隙、振动加速度及线圈电流

    Figure 10.  Absolute air gap, suspended air gap, vibration acceleration, and coil current under track disturbances

    图 11  载荷扰动下的绝对气隙、悬浮气隙、振动加速度及线圈电流

    Figure 11.  Absolute air gap, suspended air gap, vibration acceleration, and coil current under load disturbances

    表  1  系统参数

    Table  1.   System parameters

    参数数值参数数值
    Br/T1.27J/( A·mm−23
    w1/mm300w2/mm300
    lm/mm80l2/mm1800
    h/mm100d/mm5
    M/4γ2/(S·m−13.77 × 107
    N/8c1/mm20
    δ/mm10c2/mm40
    下载: 导出CSV
  • [1] FLANKL M, WELLERDIECK T, TÜYSÜZ A, et al. Scaling laws for electrodynamic suspension in high-speed transportation[J]. IET Electric Power Applications, 2018, 12(3): 357-364. doi: 10.1049/iet-epa.2017.0480
    [2] 刘士苋,王磊,王路忠,等. 电动悬浮列车及车载超导磁体研究综述[J]. 西南交通大学学报,2023,58(4): 734-753. doi: 10.3969/j.issn.0258-2724.20220621

    LIU Shixian, WANG Lei, WANG Luzhong, et al. Review on electrodynamic suspension trains and on-board superconducting magnets[J]. Journal of Southwest Jiaotong University, 2023, 58(4): 734-753. doi: 10.3969/j.issn.0258-2724.20220621
    [3] 胡永攀,曾杰伟,王志强,等. 超高速永磁电动悬浮系统性能优化[J]. 西南交通大学学报,2023,58(4): 773-782. doi: 10.3969/j.issn.0258-2724.20230526

    HU Yongpan, ZENG Jiewei, WANG Zhiqiang, et al. Performance optimization of ultra-high speed permanent magnet electrodynamic suspension system[J]. Journal of Southwest Jiaotong University, 2023, 58(4): 773-782. doi: 10.3969/j.issn.0258-2724.20230526
    [4] BEAULOYE L, DEHEZ B. Permanent magnet electrodynamic suspensions applied to maglev transportation systems: a review[J]. IEEE Transactions on Transportation Electrification, 2023, 9(1): 748-758. doi: 10.1109/TTE.2022.3193296
    [5] 王滢,张昆仑,张慧娴,等. 高速磁浮交通系统制式特征与适应性[J]. 前瞻科技,2023,2(4): 19-30.

    WANG Ying, ZHANG Kunlun, ZHANG Huixian, et al. Characteristics and adaptability of different types of high-speed maglev transportation systems[J]. Science and Technology Foresight, 2023, 2(4): 19-30.
    [6] 石洪富,邓自刚,黄欢,等. 零磁通线圈式永磁电动悬浮设计及特性研究[J]. 西南交通大学学报,2023,58(4): 853-862. doi: 10.3969/j.issn.0258-2724.20211062

    SHI Hongfu, DENG Zigang, HUANG Huan, et al. Design and characteristics of null-flux permanent magnet electrodynamic suspension system[J]. Journal of Southwest Jiaotong University, 2023, 58(4): 853-862. doi: 10.3969/j.issn.0258-2724.20211062
    [7] CHEN Y, ZHANG W L, BIRD J Z, et al. A 3-D analytic-based model of a null-flux Halbach array electrodynamic suspension device[J]. IEEE Transactions on Magnetics, 2015, 51(11): 8300405.1-8300405.5.
    [8] 罗成,张昆仑,靖永志. 新型Halbach阵列永磁电动悬浮系统垂向稳定性[J]. 交通运输工程学报,2019,19(2): 101-109. doi: 10.3969/j.issn.1671-1637.2019.02.010

    LUO Cheng, ZHANG Kunlun, JING Yongzhi. Vertical stability of permanent magnet EDS system with novel Halbach array[J]. Journal of Traffic and Transportation Engineering, 2019, 19(2): 101-109. doi: 10.3969/j.issn.1671-1637.2019.02.010
    [9] KRATZ R, POST R F. A null-current electro-dynamic levitation system[J]. IEEE Transactions on Applied Superconductivity, 2002, 12(1): 930-932. doi: 10.1109/TASC.2002.1018551
    [10] 陈殷,张昆仑. 板式双边永磁电动悬浮电磁力计算[J]. 电工技术学报,2016,31(24): 150-156.

    CHEN Yin, ZHANG Kunlun. Calculation of electromagnetic force of plate type null double side permanent magnet electrodynamic suspension[J]. Transactions of China Electrotechnical Society, 2016, 31(24): 150-156.
    [11] 陈殷. 低速永磁电动悬浮电磁力特性研究[D]. 成都:西南交通大学,2015.
    [12] POST R F, RYUTOV D. The Inductrack concept: a new approach to magnetic levitation[R]. Livermore: Lawrence Livermore National Laboratory, 1996.
    [13] POST R F. Inductrack demonstration model[R]. Livermore: Lawrence Livermore National Laboratory, 1998.
    [14] KO W. Modeling and analysis of the EDS Maglev system with the Halbach magnet array[D]. Orlando: University of Central Florida, 2007.
    [15] HAN Q H. Analysis and modeling of the EDS Maglev system based on the Halbach permanent magnet array[D]. Orlando: University of Central Florida, 2004.
    [16] 关炎培. 真空管道磁悬浮列车永磁电动与电磁混合悬浮支承研究[D]. 武汉:武汉理工大学,2018.
    [17] 熊振宇. EDS与EMS混合磁悬浮支承结构分析与优化设计[D]. 武汉:武汉理工大学,2019.
    [18] 马于龙,胡业发,陈昌皓,等. 基于Halbach的磁悬浮列车过曲线轨道的控制研究[J]. 武汉理工大学学报(信息与管理工程版),2018,40(1): 113-116. doi: 10.3963/j.issn.2095-3852.2018.01.021

    MA Yulong, HU Yefa, CHEN Changhao, et al. Research on the control of over levitation trajectory of magnetic levitation vehicle based on Halbach[J]. Journal of Wuhan University of Technology (Information & Management Engineering), 2018, 40(1): 113-116. doi: 10.3963/j.issn.2095-3852.2018.01.021
    [19] CHEN S S, ZHU S, CAI Y. On the unsteady-motion theory of magnetic forces for Maglev[R]. Argonne, IL: Argonne National Laboratory, 1996.
    [20] ZHU S, CAI Y, ROTE D M, et al. Magnetic damping for maglev[J]. Shock and Vibration, 1988, 5(2): 119-128.
    [21] ZHAO M T, GE Q X, GAO Z, et al. Analysis of electromagnetic and damping characteristics of permanent magnet electrodynamic suspension system[C]//2021 13th International Symposium on Linear Drives for Industry Applications (LDIA). Wuhan: IEEE, 2021: 1-6.
    [22] 乔冲. 永磁高速电动悬浮系统永磁被动阻尼方案研究[D]. 成都:西南交通大学,2021.
    [23] 乔冲,单磊,马卫华,等. 基于Halbach阵列的永磁被动阻尼方案研究[J]. 机械,2021,48(5): 29-36.

    QIAO Chong, SHAN Lei, MA Weihua, et al. Simulation analysis of permanent magnet passive damping method based on Halbach array[J]. Machinery, 2021, 48(5): 29-36.
    [24] LUO C, ZHANG K L, DUAN J H, et al. Study of permanent magnet electrodynamic suspension system with a novel Halbach array[J]. Journal of Electrical Engineering & Technology, 2020, 15(2): 969-977.
    [25] 陈殷,张昆仑. Halbach永磁阵列空间磁场的解析计算[J]. 磁性材料及器件,2014,45(1): 1-4,9. doi: 10.3969/j.issn.1001-3830.2014.01.001

    CHEN Yin, ZHANG Kunlun. Analytic calculation of the magnetic field created by Halbach permanent magnets array[J]. Journal of Magnetic Materials and Devices, 2014, 45(1): 1-4,9. doi: 10.3969/j.issn.1001-3830.2014.01.001
    [26] 雷银照. 时谐电磁场解析方法[M]. 北京:科学出版社,2000.
    [27] 赵博,张洪亮. Ansoft 12在工程电磁场中的应用[M]. 北京:中国水利水电出版社,2010.
    [28] 王莉. 混合EMS磁悬浮系统研究[D]. 成都:西南交通大学,2006.
    [29] 罗成. 永磁电磁混合Halbach阵列电动悬浮特性及稳定控制研究[D]. 成都:西南交通大学,2021.
    [30] 李云钢,常文森. 磁浮列车悬浮系统的串级控制[J]. 自动化学报,1999,25(2): 247-251.

    LI Yungang, CHANG Wensen. Cascade control of an EMS maglev vehicle’s levitation control system[J]. Acta Automatica Sinica, 1999, 25(2): 247-251.
  • 加载中
图(11) / 表(1)
计量
  • 文章访问数:  341
  • HTML全文浏览量:  107
  • PDF下载量:  29
  • 被引次数: 0
出版历程
  • 收稿日期:  2024-10-30
  • 修回日期:  2025-03-27
  • 网络出版日期:  2025-05-17
  • 刊出日期:  2025-04-07

目录

    /

    返回文章
    返回