Tensile Strength of Root and Soil Composite Based on New Tensile Apparatus
-
摘要:
为了研究植物根系在阻止边坡土体开裂中的作用机理,通过自主研制的一套单轴拉伸试验装置(由加载模块、数字控制模块、数据采集模块、制样模具4部分组成,可准确地获取测试材料的全过程位移-拉应力关系曲线和抗拉强度)定量地研究根系对土体抗拉强度的增强作用. 使用所研制的拉伸装置开展了不同含根量下灌木植物胡枝子根-土复合体的直接拉伸试验,分析根-土复合体的拉伸破坏机理,试验结果表明:素土的位移-拉应力曲线表现为单峰型,而根-土复合体的曲线表现为双峰型;随着含根量的增加,根-土复合体的抗拉强度呈非线性增大特征,相较于素土增加28.01%~142.15%;根-土复合体的抗拉强度可用本文提出的计算模型进行估算,当含根量为1~3根时平均误差为12.12%. 胡枝子根-土复合体的拉伸破坏过程可以分为4个阶段:应力增加阶段、土体破坏阶段、应力再增加阶段和根系滑移阶段,且根系主要在第一阶段和第三阶段起到贡献作用.
Abstract:In order to study the mechanism of plant roots in preventing slope soil cracking, a self-developed uniaxial tensile test device was used to quantitatively study the strengthening effect of roots on the tensile strength of soil and analyze the tensile failure mechanism of root-soil composite. The test device consists of a loading module, a digital control module, a data acquisition module, and a sample making mold, which can accurately obtain the entire process displacement-tensile stress relationship curve and the tensile strength of test material. A series of direct tensile tests were carried out on the root-soil complex of the shrub plant
Lespedeza bicolor under different root contents by the developed tensile device. The results show that the displacement-tensile stress curve of pure soil is unimodal, while the curve of root-soil complex is bimodal. The tensile strength of root-soil composite increases nonlinearly with the increase of root content, which is 28.01%−142.15% higher than that of plain soil. The tensile strength of root-soil complex can be estimated by the calculation model proposed in this paper. When the root content is 1−3, the average error is 12.12%. The tensile failure process of the root-soil complex can be divided into four phases: stress increase phase, soil failure phase, secondary increase stage, and root slip phase. The root system mainly contributes to the first and third stages.-
Key words:
- uniaxial tension test /
- test device /
- root and soil composite /
- tensile strength /
- root content
-
植物在防治水土流失、预防浅层滑坡和阻止地表侵蚀等方面发挥着不可替代的作用,且具有改善生态环境、经济投入低、绿色环保、易养护修复等优势. 近年来,我国在山区进行大量基础设施建设的同时,更加注重工程创面退化生态系统的恢复与重建,植被护坡理念正逐渐得到国内外研究者的重视[1].
植物根系与边坡土体存在复杂的相互作用,可以概括为浅表层细根的加筋作用、深层粗根的锚固作用和侧根牵引作用[2]. 通过根-土相互作用提高边坡土体的抗剪强度,从而达到增强边坡稳定性的作用. 关于根-土复合体的抗剪强度特征,国内外学者开展了大量卓有成效的研究:赵玉娇等[3]通过室内直剪试验研究了根系与剪切面的夹角对两种灌木植物根-土复合体抗剪强度的影响;栗岳洲等[4]对4种寒旱环境草本植物开展了室内直剪试验,探讨了含根量与抗剪强度增量的关系,并提出在最优含根量下根-土复合体的抗剪强度达到最大值;卢海静、Ajedegba等[5-6]分别在青藏高原东北部和美国得克萨斯州对不同植物的根-土复合体开展了现场直剪试验,均认为根系对土体的抗剪强度有显著增强作用. 然而,关于根-土复合体的抗拉强度特征却鲜有文献报道. 土体的抗拉强度控制着拉伸裂缝的开展,在土质边坡、土石坝工程、河岸结构和垃圾填埋场等土工结构中通常被作为一个重要的影响因素[7-8]. 例如,在土质边坡中裂缝的存在可以显著改变边坡的力学和水力性质,在不均匀沉降、干燥或者地震等外荷载作用下,坡顶易产生拉伸裂缝,破坏边坡的整体性,阻断土颗粒间的应力传递,同时裂缝可以为降水入渗提供通道,加剧土壤侵蚀. Michalowski[9]通过在莫尔-库仑屈服准则中采用拉伸截断的方法研究了土体抗拉强度对浅层滑坡稳定性的影响,认为对于缓坡和无渗流的情况,土体抗拉强度对于边坡安全系数影响较小,然而,在有渗流情况下,随着坡度的增大,土体抗拉强度的影响愈发明显. 当在坡面进行植被防护时,水平根系发达的植物可通过根-土界面的摩擦特性对边坡土体起到水平牵引作用,阻止拉伸裂缝的产生和扩展. 由于根系的抗拉强度较大,且根系在土体中具有加筋作用,因此理论上可增加根-土复合体的抗拉强度. 但是很少有研究涉及根-土复合体的抗拉强度特征和根系贡献程度的定量分析.
土体的抗拉强度在土体强度特性分析和强度模型构建方面具有不可忽视的影响[10-11],已得到国内外学者的广泛关注[12-13]. 但是,土体的抗拉强度相对于其抗剪强度在数值上小很多,且通过现有试验装置难以准确测定. 目前主要采用直接测试方法对土体的抗拉强度进行测定,吉恩跃等[14]、崔猛等[15]、黄伟等[16]、张绪涛等[17]均采用自行研制的土工单轴拉伸试验装置代替传统的试验仪器进行土体抗拉强度研究,表明此类新型试验装置的合理性和可靠性,为相关试验的开展提供了新思路和新方法. 鉴于此,本文通过自主设计研制的新型土体单轴拉伸试验装置开展了不同含根量下根-土复合体的单轴拉伸试验,定量研究根系对土体抗拉强度的增强作用并探讨根-土复合体的拉伸破坏机理.
1. 根-土复合体单轴拉伸试验设计
1.1 试验装置
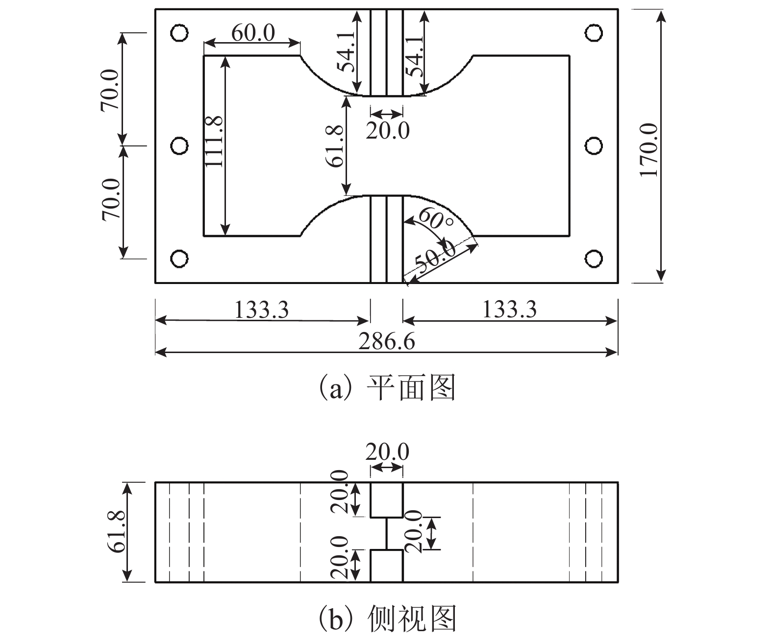
在现有单轴拉伸试验装置的基础上,借鉴各种试验装置的优点,如直接测试方法优于间接测试方法、试样平卧式放置优于立式放置、采用扩大端部的固定试样方式优于黏结固定方式等,并改进一些装置上的缺点,如试样固定段和拉伸段连接处易产生应力集中、无法动态获取全过程应力应变曲线、位移和拉力传感器精度低、加载夹具和制样模具分离、加载速率下限较低且不可调整等,自行设计研制了一种应变控制式单轴拉伸试验装置,由加载模块、数字控制模块、数据采集模块、制样加载夹具4部分组成. 加载模块包括步进电机、驱动器、电源、丝杆装置、导轨、滑块和承台,以上构件均安装在试验台的固定底板上,由步进电机带动安装在丝杆螺母座上的承台稳定匀速地水平移动. 直线导轨滑块装置采用滚珠接触的方式,其最大静摩擦力可忽略不计,并且可防止试样在拉伸过程中发生偏移. 数字控制模块包括伺服脉冲控制器和电源,通过编程可使最小拉伸速率达到0.005 mm/min,可实现无级变速和多种模式转动,便于滑动底板快速复位,提高试验效率. 数据采集模块包括激光位移计、高精度拉力传感器和动态数据采集仪. 激光位移计量程为(250 ± 150) mm,精度为0.001 mm. 拉力传感器量程为0~0.2 kN,精度为0.03%. 动态数据采集仪采样频率为0~100 kHz,并可进行数据动态分析处理. 将制样模具直接作为加载夹具,可防止移动土样造成不必要的扰动,模具采用哑铃型,并在拉伸段和扩大段的连接处进行圆角处理,避免应力集中. 制样模具详细尺寸如图1所示. 制样模具的左块和右块分别通过螺栓固定在两块承台上,左承台由步进电机带动向左移动,设定为移动端;右浮动承台通过拉力传感器与固定板连接,设定为固定端. 整套单轴拉伸试验装置如图2所示.
1.2 试样制备及试验方案
1.2.1 试样制备
本研究所用植物为灌木植物胡枝子(Lespedeza bicolor),其广泛分布于我国西北、西南、华北及华中等省区,具有土壤适应性强、抗寒性强、耐盐碱、耐贫瘠、再生性强等特点,是工程边坡生态防护和植被恢复的优势植物[18]. 胡枝子根系较为发达,为散生型,根系主要集中在5~25 cm的土层中,其水平向根系长直且密集,侧根发育,无明显垂直主根. 根据根系受力变形特点认为,胡枝子根系对土体抗拉强度有一定影响. 试验所用胡枝子取自四川成都新都区唐家河附近野外场地,采用现场挖掘法将胡枝子根-土复合体整体挖出,装在大号塑料袋中带回实验室,并种植于试验箱中备用,如图3所示.
试验所用土体同样取自于野外场地,同时用密封袋装取适量土样带回实验室测定土体的物理性力学指标,如表1所示.
表 1 试验用土体的物理力学参数Table 1. Physical and mechanical parameters of test soil参数 密度/(g•cm−3) 天然含水率/% 液限/% 塑限/% 黏聚力/kPa 内摩擦角/(°) 土质类型 数值 1.65 24.68 35.7 18.2 6.25 19.78 黏土 试验开始前需先确定制样模具拉伸段横截面内水平根系的数量,方法为统计根-土复合体优势生长方向15 cm × 15 cm横截面内水平根系的数量,通过二者面积比换算得到制样模具拉伸段横截面内的根系数量为1.41根. 随后挑选直径大致相同的根系,用清水将表面泥土冲洗干净,剪去根系两端,控制每根长度为15 cm,如图4所示. 用游标卡尺量取根系直径,测得平均直径为3.2 mm,选取12个根系进行单轴拉伸试验,测得其平均抗拉强度为11.51 MPa,将其余根系包裹在湿毛巾内备用. 为了进一步得到根系直径与单根抗拉强度的关系,对根系直径在0.5~7.0 mm范围内的胡枝子根系进行单轴拉伸试验可知,根系抗拉强度随根系直径的增加呈幂函数递减趋势,可用式(1)进行拟合.
P=56.74d−1.239,R2=0.9359, (1) 式中:P为单根抗拉强度,MPa;d为根系直径,mm.
1.2.2 试验方案
将试验土料风干、碾碎、过2 mm筛后,按照与原场地相同的含水率进行配制,将配好的土料密封静置一昼夜后使用. 为探讨含根量N对根-土复合体抗拉强度的影响,设计根-土复合体中含根量(N)分别为0、1、2、3、4、6根. 重塑土样在制备过程中,控制土体密度为1.65 g/cm3,与原场地采样位置的土体密度保持一致. 当含根量为1、2、3根时,根系放置在重塑土样的1/2高度处. 当含根量为4、6根时,考虑到在同一层布置会使根系排列过于密集,影响试样结果,所以将根系分两层布置,分别布置于1/3和2/3高度处,每层各一半根系. 胡枝子根系水平幅范围一般在50 cm左右,垂直幅范围在25 cm左右,可知在实际中根系对边坡土体的影响是在一个范围内的. Liang等[19]通过有限元模拟发现,根系较深且分布较广的植物相较于只有单根强壮根系的植物具有更好的稳定边坡作用. 因此,试验中设计了不同数量根系的分布方式以简单模拟根系的影响范围. 根-土复合体制备过程如图5所示.
在制备好的试样放在拉伸试验装置的承台上之前,首先在承台上对应位置涂抹凡士林,以消除黏土试样和承台之间的黏结摩擦力. 采用较快的拉伸速率会使根-土界面的摩擦力和土颗粒间的黏结力发挥不充分,而较慢的拉伸速率会使土样的含水率改变,并且影响试验效率,因此,本研究的拉伸速率取为0.05 mm/min.
2. 试验结果分析
2.1 位移-拉应力关系曲线
图6为不同含根量根-土复合体的位移-拉应力曲线,拉应力为拉力传感器所测得的拉力与拉伸段横截面面积的比值(横截面面积s = 34.18 m2).
由图6可知:素土的位移-拉应力曲线(N = 0)表现为单峰型,仅存在一个峰值,即土体的抗拉强度,且曲线形状及变化趋势与已有文献一致[20],验证了本研究试验装置的可靠性,黏性土存在一定的抗拉强度,忽略土体的抗拉强度较为保守;根-土复合体的位移-拉应力曲线均表现为双峰型,在拉应力达到第一峰值以后,随着位移的持续增加,根-土复合体的拉应力在下降后又逐渐上升,达到第二峰值,除了N = 6根外,N = 1~4根时的位移-拉应力曲线均表现为相同的变化规律;随着含根量的增大,第二峰值逐渐增大,当N = 6根时,第二峰值超过第一峰值. 分析素土和根-土复合体中第一峰值和第二峰值所对应的位移量可以发现:随着含根量的增大,第一峰值对应的位移量有小幅增加,但变化不大,根-土复合体第二峰值所对应的位移基本一致;第一峰值为根-土复合体的整体抗拉强度,此峰值出现在位移量较小时,既包括土体本身的抗拉强度,又包括根-土相互作用所提供的抗拉强度. 第一峰值过后土体开裂,土体抗拉强度逐渐消失,第二峰值由根系与土体间的最大静摩擦力控制,该峰值的大小与根系表面粗糙程度、根系长度、直径、数量、土体重度和上覆压力有关. 由此可知由于根系的贡献度不同,根-土复合体表现出了不同的拉伸破坏机制.
2.2 含根量与抗拉强度的关系
以第一峰值为根-土复合体的抗拉强度分析含根量变化对抗拉强度的影响,图7给出了根-土复合体的抗拉强度值和第二峰值与含根量的关系. 图中:σt为抗拉强度;σ2为拉应力第二峰值.
由图7可知:根-土复合体的抗拉强度和第二峰值均随着根系数量的增大和增大,自然条件下(N = 1,2根)根-土复合体的抗拉强度增长率较素土为28.01%和58.13%;当根系数量达到一定量后,第二峰值将超过根-土复合体本身的抗拉强度.
灌木植物根系相对于草本植物根系根径较大,根长较长,且单位面积含根量较少,虽然本文所取原场地中胡枝子单位面积含根量为1~2根,此种灌木植物单位面积含根量超过2根的情况很少出现,但为了定量分析根系数量与根-土复合体抗拉强度之间的关系,为其他水平根系构型灌木植物的根-土复合体抗拉强度计算提供参考,本文结合加筋土理论和莫尔-库伦理论对根-土复合体的抗拉强度进行理论分析. 根-土复合体的抗拉强度可看作由土体本身的抗拉强度σ0(如式(2))和根系提供的抗拉强度增量∆σf两个部分构成.
σ0=ζ2ccosφ1+sinφ, (2) 式中:ζ为莫尔圆外推所得单轴抗拉强度的折减系数,ζ = 0时代表完全拉伸截断状态,土体无抗拉强度[21];φ为土体的内摩擦角,(°);c为土体黏聚力.
根系在土体中相当于加筋作用[22],因此根系的抗拉强度增量为
Δσf=πdNlτs, (3) 式中:l为根系的潜在拔出长度,m;τ为根-土界面抗剪强度,kPa.
根-土界面抗剪强度由常规直剪摩擦试验得到,试验仪器为ZJ型应变控制直剪仪,将根系表皮削下满布粘贴于与剪切盒直径相同的圆木块上,放置于下盒中,根系走向与剪切方向相同. 在上盒中放入含水量与密度相同的土料. 考虑到根系在实际土层中所受上覆压力较小,分别在25、50、75、100 kPa的垂直压力下进行试验,试验流程参照土工试验方法标准GB/T 50123—2019[23]进行. 根-土界面抗剪强度可表示为[24]
τ=ca+ptanφ, (4) 式中:ca为根-土界面黏聚力;p为垂直压力,kPa. 通过常规直剪试验获得ca = 3.768 kPa,φ = 20.70°.
将式(4)代入式(3)中可得
Δσf=πdNls(ca+ptanφ). (5) 由式(5)可知:抗拉强度增量与上覆垂直压力有关,当埋深较浅时,垂直压力较小,摩擦力主要表现为黏结摩擦力;当埋深较深时,垂直压力较大,摩擦力主要表现为非黏结摩擦力.
采用式(5)对不同含根量根-土复合体的抗拉强度增量进行计算,计算值与试验值的对比结果如图8所示.
由图8所知:当N = 1,2,3根时,抗拉强度增量的计算值与试验值的较为接近,相对误差分别为14.14%、10.27%、11.94%;当N ≥ 4根时,计算值与试验值的误差较大. 由于理论计算中假设根系均匀地分布在拉伸土样的1/2高度处,而在试验中当根系数量为4根和6根时,根系分别布置在1/3和2/3高度处,根系的空间分布差异会造成结果偏差较大,抗拉强度增量计算值整体上大于试验值,其主要原因是理论值假设根系的潜在拔出部分充分发挥了根-土界面的抗剪强度特性,而在实际状态下,根-土界面的摩阻特征未被充分调动. 而且由于根系表面各部分粗糙程度有所差异,根系形态被概化圆柱形,导致根系与土体间的接触表面积发生变化,从而使结果产生差异. 此外,根-土复合体的抗拉强度还与土体的基质吸力和土颗粒间的毛细压力有关,这需要开展进一步的研究.
2.3 根-土复合体拉伸破坏机理
为了更好地认识根-土复合体的拉应力应变关系,并探究根-土复合体的拉伸破坏机理,以自然根系含量下(N = 1根)的位移-拉应力曲线为例进行分析. 虽然在重复试验中所用根系的表面微观结构存在差异,但观察所有试验中的位移-拉应力曲线,其变化规律基本一致,均可用图9所示的典型位移-拉应力曲线描述.
由图9可知:1) 自然根系含量下根-土复合体的位移-拉应力曲线可以概化为4个阶段,即应力增加阶段(阶段Ⅰ)、土体破坏阶段(阶段Ⅱ)、应力再增加阶段(阶段Ⅲ)和根系滑移阶段(阶段Ⅳ),阶段Ⅰ~Ⅳ的位移-拉应力曲线均表现出了明显的非线性变化特征. 2) 在阶段Ⅰ中,根-土复合体的拉应力在较短时间和较小位移量下急剧增大,在土样中部的两侧模具交界面处和其左右两侧各1 cm处出现微裂缝,但土体仍处于弹性变形状态,拉应力增大至最大值,达到根-土复合体的抗拉强度. 根系在土体中发挥加筋作用,使抗拉强度相较于素土显著提高. 3) 阶段Ⅱ为土体软化阶段,在第一峰值后土体的拉应力不会立刻丧失,而是以一定的减小速率下降. 土样中部的初期微裂缝迅速扩展延伸形成主裂缝,主裂缝两侧微裂缝也开始扩展形成次裂缝,但次裂缝的长度和宽度明显小于主裂缝. 阶段Ⅱ结束时刻拉伸段两侧的主裂缝贯通,次裂缝停止扩展,发生少量回弹,此时根-土复合体完全失去土体的抗拉强度. 4) 在阶段Ⅲ中,由于土体已发生拉伸破坏,此时的拉应力增量完全由根系与土体接触面的摩擦力提供. 5) 随着拉伸位移的增大,接触面摩擦力达到最大静摩擦力,出现第二峰值,在阶段Ⅳ中,根系与土体发生相对滑动,根系与土体接触面的摩擦力为滑动摩擦力,拉应力随着位移的增大逐渐减小,直至根系被完全从左侧土体中拔出. 6) 根-土界面的摩擦特性在根-土复合体不同的变形阶段表现出不同的贡献程度,主要在阶段Ⅰ和阶段Ⅲ发生作用,在土体破坏后,根系仍能提供较大的拉应力,使土体产生延性破坏.
图10为素土和N = 1根的根-土复合体的最终破坏形态,从图10中可以看出:素土的破坏面在土样中部,左右两侧无明显裂缝产生;根-土复合体除了在土样中部产生破坏面外,在土样中部左右两侧各1 cm处出现了明显的次裂缝,产生这种现象的主要原因是根系在土样表现出明显的加筋效应,使土样中部模具交界面处的抗拉强度增大,在相同的拉力作用下抵抗变形能力增强,从而将荷载传递至主裂缝旁边的薄弱区,产生拉伸裂缝.
本试验假定拉伸仪器的右侧固定端为灌木植物根系生物量的主要分布区域,左侧移动端为水平根系所牵引的土体部分,移动端缓慢向左移动模拟坡顶或坡面裂缝的缓慢扩展. 上述假定主要通过摆放根系的粗段和细段来实现,由大量试验发现,根-土复合体的破坏现象基本是根系留在右侧固定端,而左侧移动端只将土体拉出,这是由于根系粗段与土体间摩擦力较大,根系与土体之间存在锁固力,而细段摩擦力较小,土体在拉力作用下易与根系分离. 以上假定破坏模式也与实际中坡面浅层破坏后,破坏面上缘露出大量水平根系现象类似,如图11所示.
根系对土体抗拉强度的增强作用除了可应用于减缓或阻止坡顶拉裂缝的产生和扩展,增加土质边坡坡顶或坡面上部浅表层的稳定性,为边坡浅层滑坡和表层溜坍提供破坏前兆和预警时间,也可用于优化公路沿线边坡绿化的植物选择和配置[25],在改善边坡生态环境的同时保护边坡浅表层的稳定性. 此外,定量评价根-土复合体的抗拉强度在减缓弯曲河道凹岸和凸岸处的崩退破坏速率,保持河岸水土方面具有积极作用[26]. 如何将土体及根-土复合体的抗拉强度特性应用于工程实际中,还需要进行更深一步的研究.
3. 结 论
1) 在现有土工单轴拉伸试验装置的基础上,自行设计研制了新型单轴土工拉伸试验装置,该装置由加载模块、数字控制模块、数据采集模块、制样加载夹具4部分组成. 试验装置可开展多种土体材料的抗拉强度测试,加载速率调控范围大,运动模式可变,可精确、动态地获取测试材料的全过程位移-拉应力关系曲线,观察拉伸破坏的演化过程.
2) 素土的位移-拉应力曲线表现为单峰型,而灌木植物胡枝子根-土复合体的位移-拉应力曲线均表现为双峰型,即在拉应力达到根-土复合体的抗拉强度后,随着拉伸位移的增大,根-土复合体的拉应力在下降后又逐渐上升,达到第二峰值. 随着含根量的增加,根-土复合体的第一峰值和第二峰值均呈现出非线性增大的变化特征. 在自然含根量下,本文提出的根-土复合体抗拉强度计算模型对试验结果的拟合程度较好.
3) 胡枝子根-土复合体的拉伸破坏过程可以分为4个阶段:应力增加阶段、土体破坏阶段、应力再增加阶段和根系滑移阶段. 其中,土体破坏阶段存在应力软化特征,并且根-土界面的摩擦特性在拉伸破坏过程中表现出不同的贡献程度,主要在应力增加阶段和应力再增加阶段发生作用. 根-土复合体的破坏形态不同于素土,表现为在断裂面左右两侧会产生宏观拉伸裂缝.
-
表 1 试验用土体的物理力学参数
Table 1. Physical and mechanical parameters of test soil
参数 密度/(g•cm−3) 天然含水率/% 液限/% 塑限/% 黏聚力/kPa 内摩擦角/(°) 土质类型 数值 1.65 24.68 35.7 18.2 6.25 19.78 黏土 -
[1] 吴宏伟. 大气–植被–土体相互作用:理论与机理[J]. 岩土工程学报,2017,39(1): 1-47. doi: 10.11779/CJGE201701001WU Hongwei. Atmosphere-plant-soil interactions:theories and mechanisms[J]. Chinese Journal of Geotechnical Engineering, 2017, 39(1): 1-47. doi: 10.11779/CJGE201701001 [2] 周德培, 张俊云. 植被护坡工程技术[M]. 北京: 人民交通出版社, 2003: 62-75. [3] 赵玉娇,胡夏嵩,李华坦,等. 寒旱环境灌木根系增强边坡土体抗剪强度特征[J]. 农业工程学报,2016,32(11): 174-180. doi: 10.11975/j.issn.1002-6819.2016.11.025ZHAO Yujiao, HU Xiasong, LI Huatan, et al. Characteristics of slope soil shear strength reinforced by shrub roots in cold and arid environments[J]. Transactions of the Chinese Society of Agricultural Engineering, 2016, 32(11): 174-180. doi: 10.11975/j.issn.1002-6819.2016.11.025 [4] 栗岳洲,付江涛,余冬梅,等. 寒旱环境盐生植物根系固土护坡力学效应及其最优含根量探讨[J]. 岩石力学与工程学报,2015,34(7): 1370-1383.LI Yuezhou, FU Jiangtao, YU Dongmei, et al. Mechanical effects of halophytes roots and optimal root content for slope protection in cold and arid environment[J]. Chinese Journal of Rock Mechanics and Engineering, 2015, 34(7): 1370-1383. [5] 卢海静,胡夏嵩,付江涛,等. 寒旱环境植物根系增强边坡土体抗剪强度的原位剪切试验研究[J]. 岩石力学与工程学报,2016,35(8): 1712-1721.LU Haijing, HU Xiasong, FU Jiangtao, et al. In-situ shearing test on the shear strengh of soil slope reinforced by plant roots in cold and arid environments[J]. Chinese Journal of Rock Mechanics and Engineering, 2016, 35(8): 1712-1721. [6] AJEDEGBA J O, CHOI J W, JONES K D. Analytical modeling of coastal dune erosion at South Padre Island:a consideration of the effects of vegetation roots and shear strength[J]. Ecological Engineering, 2019, 127: 187-194. doi: 10.1016/j.ecoleng.2018.11.020 [7] 李广信. 高等土力学[M]. 北京: 清华大学出版社, 2004. [8] 汤连生,桑海涛,罗珍贵,等. 土体抗拉张力学特性研究进展[J]. 地球科学进展,2015,30(3): 297-309. doi: 10.11867/j.issn.1001-8166.2015.03.0297TANG Liansheng, SANG Haitao, LUO Zhengui, et al. Advances in research on the mechanical behavior of the tensile strength of soils[J]. Advances in Earth Science, 2015, 30(3): 297-309. doi: 10.11867/j.issn.1001-8166.2015.03.0297 [9] MICHALOWSKI R L. Failure potential of infinite slopes in bonded soils with tensile strength cut-off[J]. Canadian Geotechnical Journal, 2018, 55: 477-485. doi: 10.1139/cgj-2017-0041 [10] 陈正汉,郭楠. 非饱和土与特殊土力学及工程应用研究的新进展[J]. 岩土力学,2019,40(1): 1-54.CHEN Zhenghan, GUO Nan. New developments of mechanics and application for unsaturated soils and special soils[J]. Rock and Soil Mechanics, 2019, 40(1): 1-54. [11] 郭楠,陈正汉,杨校辉,等. 各向同性土与横观各向同性土的力学特性和持水特性[J]. 西南交通大学学报,2019,54(6): 1235-1243.GUO Nan, CHEN Zhenghan, YANG Xiaohui, et al. Mechanical properties and water holding characteristics of initially isotropic soils and transversely isotropic soils[J]. Journal of Southwest Jiaotong University, 2019, 54(6): 1235-1243. [12] YIN P H, VANAPALLI S K. Model for predicting tensile strength of unsaturated cohesionless soils[J]. Canadian Geotechnical Journal, 2018, 55(9): 1313-1333. doi: 10.1139/cgj-2017-0376 [13] 李荣建,刘军定,郑文,等. 基于结构性黄土抗拉和抗剪特性的双线性强度及其应用[J]. 岩土工程学报,2013,35(增刊2): 247-252.LI Rongjian, LIU Junding, ZHENG Wen, et al. A bilinear strength formula for structured loess based on tensile strength and shear strength and its application[J]. Chinese Journal of Geotechnical Engineering, 2013, 35(S2): 247-252. [14] 吉恩跃,陈生水,傅中志. 掺砾心墙料拉裂力学特性试验研究[J]. 岩土力学,2019,40(12): 4777-4782,4792.JI Enyue, CHEN Shengshui, FU Zhongzhi. Experimental investigations on tensile cracking mechanical characteristics of gravelly core material[J]. Rock and Soil Mechanics, 2019, 40(12): 4777-4782,4792. [15] 崔猛,韩尚宇,洪宝宁. 新型土工单轴拉伸试验装置的研制及应用[J]. 岩土力学,2017,38(6): 1832-1840.CUI Meng, HAN Shangyu, HONG Baoning. Development and application of a new geotechnical device for direct tension test[J]. Rock and Soil Mechanics, 2017, 38(6): 1832-1840. [16] 黄伟,项伟,王菁莪,等. 基于变形数字图像处理的土体拉伸试验装置的研发与应用[J]. 岩土力学,2018,39(9): 3486-3494.HUANG Wei, XIANG Wei, WANG Jinge, et al. Development and application of digital image processing technology based soil tensile apparatus[J]. Rock and Soil Mechanics, 2018, 39(9): 3486-3494. [17] 张绪涛,张强勇,高强,等. 土工直接拉伸试验装置的研制及应用[J]. 岩土工程学报,2014,36(7): 1309-1315. doi: 10.11779/CJGE201407015ZHANG Xutao, ZHANG Qiangyong, GAO Qiang, et al. Development and application of geotechnical direct tension test devices[J]. Chinese Journal of Geotechnical Engineering, 2014, 36(7): 1309-1315. doi: 10.11779/CJGE201407015 [18] 伍红燕,赵倩,宋桂龙,等. 平地与边坡条件下野生胡枝子根构型特征研究[J]. 草业科学,2019,36(7): 1725-1733.WU Hongyan, ZHAO Qian, SONG Guilong, et al. Study on root architecture characteristics of wild Lespedeza bicolor in flatland and sloped sites[J]. Pratacultural Science, 2019, 36(7): 1725-1733. [19] LIANG T. KNAPPETT J A,LEUNG A K. Modelling the seismic performance of root-reinforced slopes using the finite-element method[J]. Géotechnique, 2020, 70(5): 375-391. [20] LI H D, TANG C S, CHENG Q, et al. Tensile strength of clayey soil and the strain analysis based on image processing techniques[J]. Engineering Geology, 2019, 253: 137-148. doi: 10.1016/j.enggeo.2019.03.017 [21] MICHALOWSKI R L. Stability of intact slopes with tensile strength cut-off[J]. Géotechnique, 2017, 67(8): 720-727. [22] TANG C S, WANG D Y, CUI Y J, et al. Tensile strength of fiber-reinforced soil[J]. Journal of Materials in Civil Engineering, 2016, 28(7): 4016031.1-4016031.13. doi: 10.1061/(ASCE)MT.1943-5533.0001546 [23] 中华人民共和国水利部. 土工试验方法标准: GB/T 50123—2019[S]. 北京: 中国计划出版社, 2019. [24] 夏振尧,刘琦,许文年,等. 多花木蓝根系与土体界面摩阻特征[J]. 水土保持学报,2018,32(1): 128-134.XIA Zhenyao, LIU Qi, XU Wennian, et al. Characteristics of interface friction between Indigofera amblyantha root system and soil[J]. Journal of Soil and Water Conservation, 2018, 32(1): 128-134. [25] 刘琦,夏振尧,饶云康,等. 亚热带区域高陡路堑岩质边坡绿化植物的选择和配置——以宜昌市峡州大道一期快速道为例[J]. 公路交通科技,2018,35(9): 137-145.LIU Qi, XIA Zhenyao, RAO Yunkang, et al. Selection and configuration of plants in high and steep cutting rock slope greening in subtropical region:a case study of the first phase urban expressway of Xiazhou Avenue in Yichang[J]. Journal of Highway and Transportation Research and Development, 2018, 35(9): 137-145. [26] 李本锋,朱海丽,谢彬山,等. 黄河源区河岸带高寒草甸植物根-土复合体抗拉特性研究[J]. 岩石力学与工程学报,2020,39(2): 424-432.LI Benfeng, ZHU Haili, XIE Binshan, et al. Study on tensile properties of root-soil composite of alpine meadow plants in the riparian zone of the Yellow River source region[J]. Chinese Journal of Rock Mechanics and Engineering, 2020, 39(2): 424-432. 期刊类型引用(6)
1. 牛家永,张建经,王飞飞,江学良. 灌木植物根系对浅覆盖层边坡地震响应的影响规律. 应用基础与工程科学学报. 2025(02): 473-489 .
百度学术2. WU Yuechen,ZHU Haili,ZHANG Yu,ZHANG Hailong,LIU Guosong,LIU Yabin,LI Guorong,HU Xiasong. Characterization of alpine meadow surface crack and its correlation with root-soil properties. Journal of Arid Land. 2024(06): 834-851 .
必应学术3. 张海龙,朱海丽,张玉,刘国松,吴悦辰,刘亚斌,李国荣. 黄河源河岸高寒草甸含根土体抗拉、抗剪特性及其影响因素. 水土保持通报. 2024(05): 58-67 .
百度学术4. 何振华,王飞飞. 基于GeoStudio的大水露天矿山采场边坡瞬态渗流稳定性分析. 采矿技术. 2023(06): 161-164 .
百度学术5. 周永毅,张建经,闫世杰,牛家永,谢强. 土体冻融特性试验研究现状与思考. 岩石力学与工程学报. 2022(06): 1267-1284 .
百度学术6. 徐宗恒,张宇,陶真鹏,查玲珑,陈云英. 昭通烂泥箐滑坡源区原生状态根-土复合体抗剪特征. 水土保持学报. 2022(04): 128-134 .
百度学术其他类型引用(7)
-

下载:





下载:
百度学术










