• ISSN 0258-2724
  • CN 51-1277/U
  • EI Compendex
  • Scopus 收录
  • 全国中文核心期刊
  • 中国科技论文统计源期刊
  • 中国科学引文数据库来源期刊

一种宽电压输入高功率密度低噪声三相隔离型逆变器

王恒利 王瑞田 高山 揭贵生

王恒利, 王瑞田, 高山, 揭贵生. 一种宽电压输入高功率密度低噪声三相隔离型逆变器[J]. 西南交通大学学报, 2022, 57(6): 1358-1367. doi: 10.3969/j.issn.0258-2724.20210326
引用本文: 王恒利, 王瑞田, 高山, 揭贵生. 一种宽电压输入高功率密度低噪声三相隔离型逆变器[J]. 西南交通大学学报, 2022, 57(6): 1358-1367. doi: 10.3969/j.issn.0258-2724.20210326
WANG Hengli, WANG Ruitian, GAO Shan, JIE Guisheng. Three-Phase Isolated Inverter with Wide-Voltage Input, High Power Density and Low Noise[J]. Journal of Southwest Jiaotong University, 2022, 57(6): 1358-1367. doi: 10.3969/j.issn.0258-2724.20210326
Citation: WANG Hengli, WANG Ruitian, GAO Shan, JIE Guisheng. Three-Phase Isolated Inverter with Wide-Voltage Input, High Power Density and Low Noise[J]. Journal of Southwest Jiaotong University, 2022, 57(6): 1358-1367. doi: 10.3969/j.issn.0258-2724.20210326

一种宽电压输入高功率密度低噪声三相隔离型逆变器

doi: 10.3969/j.issn.0258-2724.20210326
基金项目: 中国博士后基金(2018M643866)
详细信息
    作者简介:

    王恒利(1984—),男,助理研究员,博士,研究方向为大功率变频调速技术,E-mail:wanghengli1984@126.com

    通讯作者:

    王瑞田(1987—),男,副研究员,硕士生导师,研究方向为大容量电能变换技术,E-mail:wangrt4321@163.com

  • 中图分类号: TM464

Three-Phase Isolated Inverter with Wide-Voltage Input, High Power Density and Low Noise

  • 摘要:

    随着舰船综合电力系统向小型化、轻型化、高效率和隐形化方向不断发展,储能环节逐渐成为发电系统的重要组成部分,对于变配电系统的三相隔离型逆变器来说,面临着直流电压范围宽、交流电能质量要求高的挑战,而且需要尽可能提高功率密度、降低噪声干扰. 为此,提出了一种高功率密度低噪声的三相二重化逆变器工频隔离拓扑. 首先,采用多重化技术以提高等效开关频率,达到相电压四倍频五电平的效果,降低声学噪声和振动噪声,减小隔振降噪设备的体积质量;其次,采用载波移相调制策略降低共模电磁噪声,减小EMI (electromagnetic interference)滤波器的体积质量;最后,采用磁集成技术和立体卷铁芯结构减小隔离变压器和输出滤波电感的体积质量. 通过实验证明:与传统拓扑结构相比,新型拓扑的声学噪声降低了8 dBA,振动噪声全频段范围都比传统拓扑低;体积功率密度达到136 kW/m3,质量功率密度达到116 kW/t,整机效率达到93.5%.

     

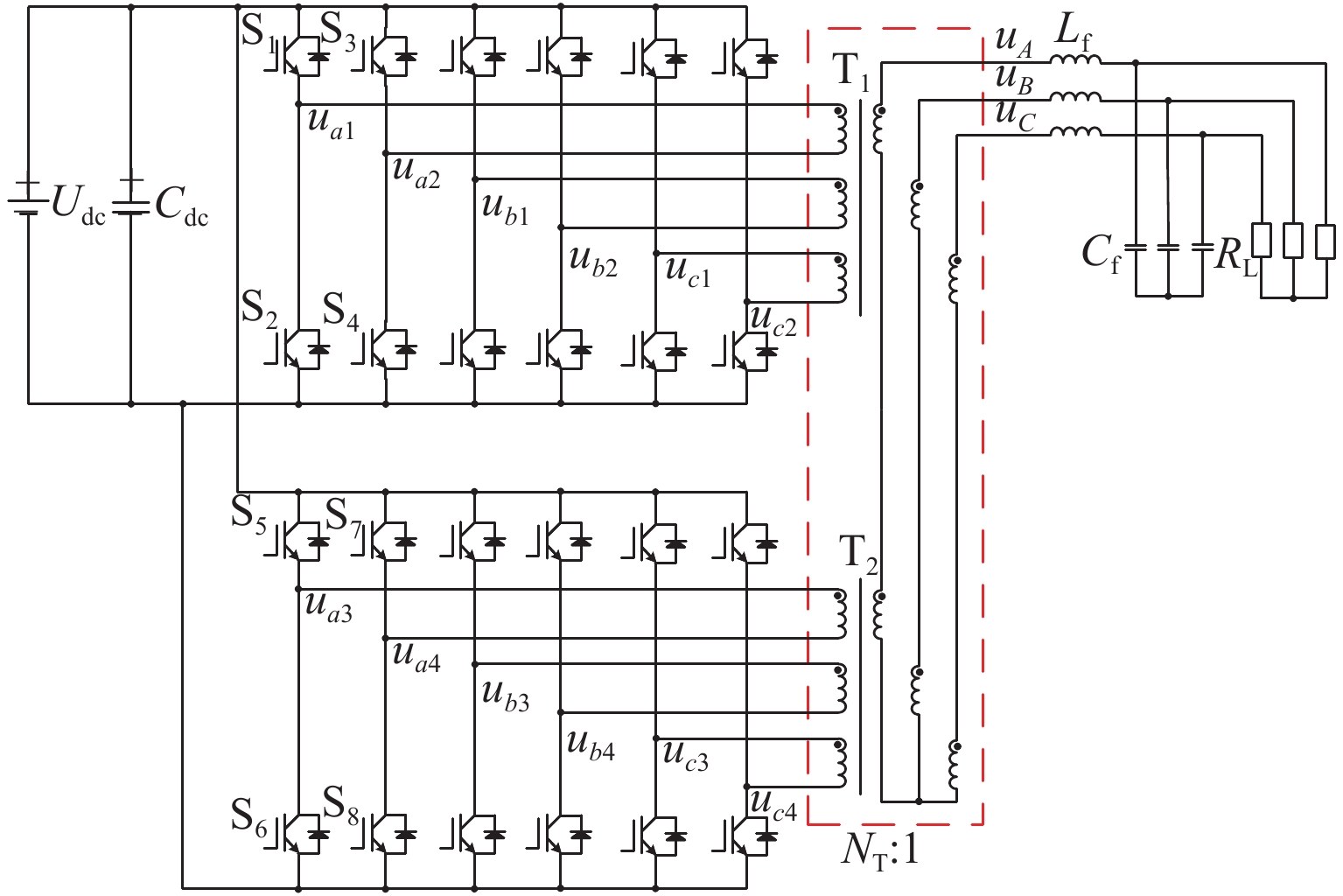
  • 图 1  新型三相二重化逆变器拓扑

    Figure 1.  Topology of novel three-phase dual inverter

    图 2  单极倍频SPWM控制波形

    Figure 2.  Control waveform of single-polarity double-frequency SPWM

    图 3  两组H桥载波移相等效电路

    Figure 3.  Equivalent circuits of two groups of carrier phase-shifted H-bridge

    图 4  五电平载波移相PWM调制方法等效原理

    Figure 4.  Equivalent principle of five-level carrier phase-shifted PWM modulation method

    图 5  单相半桥逆变器工作原理

    Figure 5.  Operation principle of single-phase half-bridge inverter

    图 6  组合式三相二重化逆变器共模电压频谱

    Figure 6.  Common-mode voltage spectrum of combined three-phase dual full-bridge inverter

    图 7  载波移相角对逆变器输出共模电压的影响

    Figure 7.  Influence of carrier phase-shifted angle on output common-mode voltage of inverter

    图 8  采用载波移相后共模电压频谱计算值

    Figure 8.  Calculated values of output common-mode voltage spectrum after carrier phase shifted

    图 9  组合式隔离变压器铁芯磁集成设计思路

    Figure 9.  Magnetic integration design of combined isolation transformer core

    图 10  立体卷铁芯变压器

    Figure 10.  3D wound-core transformer

    图 11  漏感试验值与FEM计算值、时域仿真值对比

    Figure 11.  Comparison of experimental leakage inductance with FEM and time-domain simulation values

    图 12  新型拓扑不同负载工况下实验波形

    Figure 12.  Experimental waveforms of novel topology under different load conditions

    图 13  新型拓扑实验波形傅里叶分析

    Figure 13.  Fourier analysis on experimental waveforms of novel topology

    图 14  振动噪声频谱及限值线

    Figure 14.  Spectrum and limit line of vibration noise

    图 15  共模电磁噪声频谱

    Figure 15.  Spectrum of common-mode electromagnetic noise

    表  1  逆变器原理样机参数

    Table  1.   Parameters of the prototype inverter

    参数数值
    输入直流电压 Udc/V400 ~ 700
    输出线电压 Uline/V390
    输出基波频率 fo/Hz50
    输出有功功率 Po/kW130
    功率因数 cos φ0.8
    变压器变比 NT1
    开关频率 fsw/kHz5.5
    下载: 导出CSV

    表  2  声学噪声测试值

    Table  2.   Test values of acoustic noise

    工况等效开关频率/kHz噪声/dBA
    场地背景46.8
    传统拓扑(两电平)1171.0
    新型拓扑(五电平)2263.0
    下载: 导出CSV
  • [1] 马伟明. 舰船综合电力系统中的机电能量转换技术[J]. 电气工程学报,2015,10(4): 1-10. doi: 10.11985/JEE.2015.04.001

    Ma Weiming. Electromechanical power conversion technologies in vessel integrated power system[J]. Journal of Electrical Engineering, 2015, 10(4): 1-10. doi: 10.11985/JEE.2015.04.001
    [2] 蒋栋,沈泽微,刘自程,等. 电力推进系统电力电子噪声的主动抑制技术进展[J]. 中国电机工程学报,2020,40(16): 5291-5301.

    JIANG Dong, SHEN Zewei, LIU Zicheng, et al. Progress in active mitigation technologies of power electronics noise for electrical propulsion system[J]. Proceedings of the CSEE, 2020, 40(16): 5291-5301.
    [3] PINDORIYA R M, MISHRA A K, RAJPUROHIT B S, et al. An analysis of vibration and acoustic noise of BLDC motor drive[C]//2018 IEEE Power & Energy Society General Meeting(PESGM). Portland: IEEE, 2018: 1-5.
    [4] HUANG Y L, XU Y X, LI Y, et al. PWM frequency voltage noise cancelation in three-phase VSI using the novel SVPWM strategy[J]. IEEE Transactions on Power Electronics, 2018, 33(10): 8596-8606. doi: 10.1109/TPEL.2017.2778709
    [5] MIYAMA Y, ISHIZUKA M, KOMETANI H, et al. Vibration reduction by applying carrier phase-shift PWM on dual three-phase winding permanent magnet synchronous motor[J]. IEEE Transactions on Industry Applications, 2018, 54(6): 5998-6004. doi: 10.1109/TIA.2018.2862392
    [6] 张逸成,叶尚斌,张佳佳,等. 电力电子设备传导噪声抑制措施研究综述[J]. 电工技术学报,2017,32(14): 77-86.

    ZHANG Yicheng, YE Shangbin, ZHANG Jiajia, et al. Review of conducted noise suppression method for power electronic and electrical equipment[J]. Transactions of China Electrotechnical Society, 2017, 32(14): 77-86.
    [7] 陈国呈,曹大鹏,张 翼,等. 一种三相三重化串联型电压源逆变器的谐波特性[J]. 电工技术学报,2007,22(7): 58-62. doi: 10.3321/j.issn:1000-6753.2007.07.010

    CHEN Guocheng, CAO Dapeng, ZHANG Yi, et al. Harmonic characteristic analysis based on a three-phase tripled series-connected voltage source inverter[J]. Transactions of China Electrotechnical Society, 2007, 22(7): 58-62. doi: 10.3321/j.issn:1000-6753.2007.07.010
    [8] 杨律,张俊洪,王铁军,等. 一种用于多重叠加逆变的圆形移相变压器[J]. 电力电子技术,2017,51(1): 99-101.

    YANG Lü, HANG Junhong, WANG Tiejun, et al. A round shape phase-shift transformer applied in multi-module inverter[J]. Power Electronics, 2017, 51(1): 99-101.
    [9] 窦祥,徐宁博,孙德. H桥逆变电路的并联移相SPWM多重化技术研究[J]. 国外电子测量技术,2018,37(8): 52-56.

    DOU Xiang, XU Ningbo, SUN De. Research on parallel phase shifted SPWM multiplex technology for H bridge inverter circuit[J]. Foreign Electronic Measurement Technology, 2018, 37(8): 52-56.
    [10] 赵镜红,马远征,孙盼. 基于直线式移相变压器的多重叠加逆变系统[J]. 电力自动化设备,2019,39(12): 183-187.

    ZHAO Jinghong, MA Yuanzheng, SUN Pan. Multi-module inverter system based on linear phase-shifting transformer[J]. Electric Power Automation Equipment, 2019, 39(12): 183-187.
    [11] CHA W J, KIM K T, CHO Y W, et al. Evaluation and analysis of transformerless photovoltaic inverter topology for efficiency improvement and reduction of leakage current[J]. IET Power Electronics, 2015, 8(2): 255-267. doi: 10.1049/iet-pel.2014.0401
    [12] 王恒利,付立军,揭贵生,等. 采用比例谐振和状态反馈的三相逆变器最优控制[J]. 西安交通大学学报,2013,47(8): 127-132.

    WANG Hengli, FU Lijun, JIE Guisheng, et al. Optimal control of three-phase inverter based on state-feedback with proportional-resonant control[J]. Journal of Xi’an Jiaotong University, 2013, 47(8): 127-132.
    [13] 王恒利,付立军,肖飞,等. 三相逆变器不平衡负载条件下双环控制策略[J]. 电网技术,2013,37(2): 398-404.

    WANG Hengli, FU Lijun, XIAO Fei, et al. A double-loop control strategy for three-phase inverter with unbalanced load[J]. Power System Technology, 2013, 37(2): 398-404.
    [14] 樊可钰,王政. 基于多载波实现光伏并网逆变器漏电流抑制研究[J]. 电力电容器与无功补偿,2016,37(2): 79-83.

    FAN Keyu, WANG Zheng. Study on suppressing leakage current of photovoltaic grid-connection inverter based on multicarrier[J]. Power Capacitor & Reactive Power Compensation, 2016, 37(2): 79-83.
    [15] KUMAR A, CHATTERJEE D. A survey on space vector pulse width modulation technique for a two-level inverter[C]//8th National Power Electronics Conference. [S.l.]: IEEE, 2017: 78-83.
    [16] JACOB B J, BAIJU M R. A new space vector modulation scheme for multilevel inverters which directly vector quantize the reference space vector[J]. IEEE Transactions on Industrial Electronics, 2015, 62(1): 88-95. doi: 10.1109/TIE.2014.2326998
    [17] LI Y, WANG Y, LI B Q. Generalized theory of phase-shifted carrier PWM for cascaded H-bridge converters and modular multilevel converters[J]. IEEE Transactions on Power Electronics, 2016, 4(2): 589-605.
    [18] KIM S M, LEE J S, LEE K B. A modified level-shifted PWM strategy for fault tolerant cascaded multilevel inverters with improved power distribution[J]. IEEE Transactions on Industrial Electronics, 2016, 63(11): 7264-7274. doi: 10.1109/TIE.2016.2547917
    [19] KO Y, ANDRSEN M, BUTICCHI G, et al. Modulation strategy for highly reliable cascade H-bridge inverter based on discontinuous PMW[C]//IEEE Applied Power Electronics Conference and Exposition. [S.l.]: IEEE, 2017: 3241-3246.
  • 加载中
图(15) / 表(2)
计量
  • 文章访问数:  556
  • HTML全文浏览量:  293
  • PDF下载量:  38
  • 被引次数: 0
出版历程
  • 收稿日期:  2021-04-26
  • 修回日期:  2021-07-08
  • 网络出版日期:  2022-08-02
  • 刊出日期:  2021-10-06

目录

    /

    返回文章
    返回