• ISSN 0258-2724
  • CN 51-1277/U
  • EI Compendex
  • Scopus 收录
  • 全国中文核心期刊
  • 中国科技论文统计源期刊
  • 中国科学引文数据库来源期刊

交直流双制式牵引供电系统钢轨电位特性分析

陈民武 付浩纯 谢崇豪 刘卫东 胥伟

陈民武, 付浩纯, 谢崇豪, 刘卫东, 胥伟. 交直流双制式牵引供电系统钢轨电位特性分析[J]. 西南交通大学学报, 2022, 57(4): 729-736. doi: 10.3969/j.issn.0258-2724.20200597
引用本文: 陈民武, 付浩纯, 谢崇豪, 刘卫东, 胥伟. 交直流双制式牵引供电系统钢轨电位特性分析[J]. 西南交通大学学报, 2022, 57(4): 729-736. doi: 10.3969/j.issn.0258-2724.20200597
CHEN Minwu, FU Haochun, XIE Chonghao, LIU Weidong, XU Wei. Analysis of Rail Potential Characteristics of AC/DC Dual-system Traction Power Supply System[J]. Journal of Southwest Jiaotong University, 2022, 57(4): 729-736. doi: 10.3969/j.issn.0258-2724.20200597
Citation: CHEN Minwu, FU Haochun, XIE Chonghao, LIU Weidong, XU Wei. Analysis of Rail Potential Characteristics of AC/DC Dual-system Traction Power Supply System[J]. Journal of Southwest Jiaotong University, 2022, 57(4): 729-736. doi: 10.3969/j.issn.0258-2724.20200597

交直流双制式牵引供电系统钢轨电位特性分析

doi: 10.3969/j.issn.0258-2724.20200597
基金项目: 国家自然科学基金(51877182)
详细信息
    作者简介:

    陈民武(1983—),男,教授,博士,博士生导师,研究方向为牵引供电理论与新技术、电能质量预测、评估与控制技术等,E-mail:chenminwu@home.swjtu.edu.cn

  • 中图分类号: U223

Analysis of Rail Potential Characteristics of AC/DC Dual-system Traction Power Supply System

  • 摘要:

    交直流双制式牵引供电系统中机车过分相前、后工作于不同供电制式,造成了牵引回流特性的差异,影响不同区段钢轨复合电位分布. 采用CDEGS软件建立了交直流双制式牵引供电系统仿真模型,并验证模型正确性和有效性. 计及交流区段和直流区段之间牵引回流的相互干扰,提出了适用于交直流双制式牵引供电系统的钢轨复合电位限值,研究了影响钢轨复合电位分布的主要因素及其敏感度. 结果表明:当无电区不设置钢轨绝缘节时,无电区段长度增大则交直流区段牵引回流的相互干扰程度降低,导致无电区钢轨复合电位减小;土壤电阻率增大则交直流区段牵引回流的相互干扰程度增强,导致无电区段钢轨复合电位增大;直流区段过渡电阻越大,则直流区段钢轨复合电位越高. 交直流区段之间的无电区设置绝缘节能够改变回流结构,避免钢轨复合电位超标,以国内首条双制式线路为例,设置绝缘节后可以使钢轨复合电位直流分量从103.92 V降至60.20 V,保障了人身安全.

     

  • 图 1  交直流双制式牵引供电系统示意

    Figure 1.  Diagram of AC/DC dual-system traction power supply system

    图 2  交直流双制式牵引供电系统牵引回流仿真模型

    Figure 2.  Simulation model of traction return current for AC/DC dual-system traction power supply system

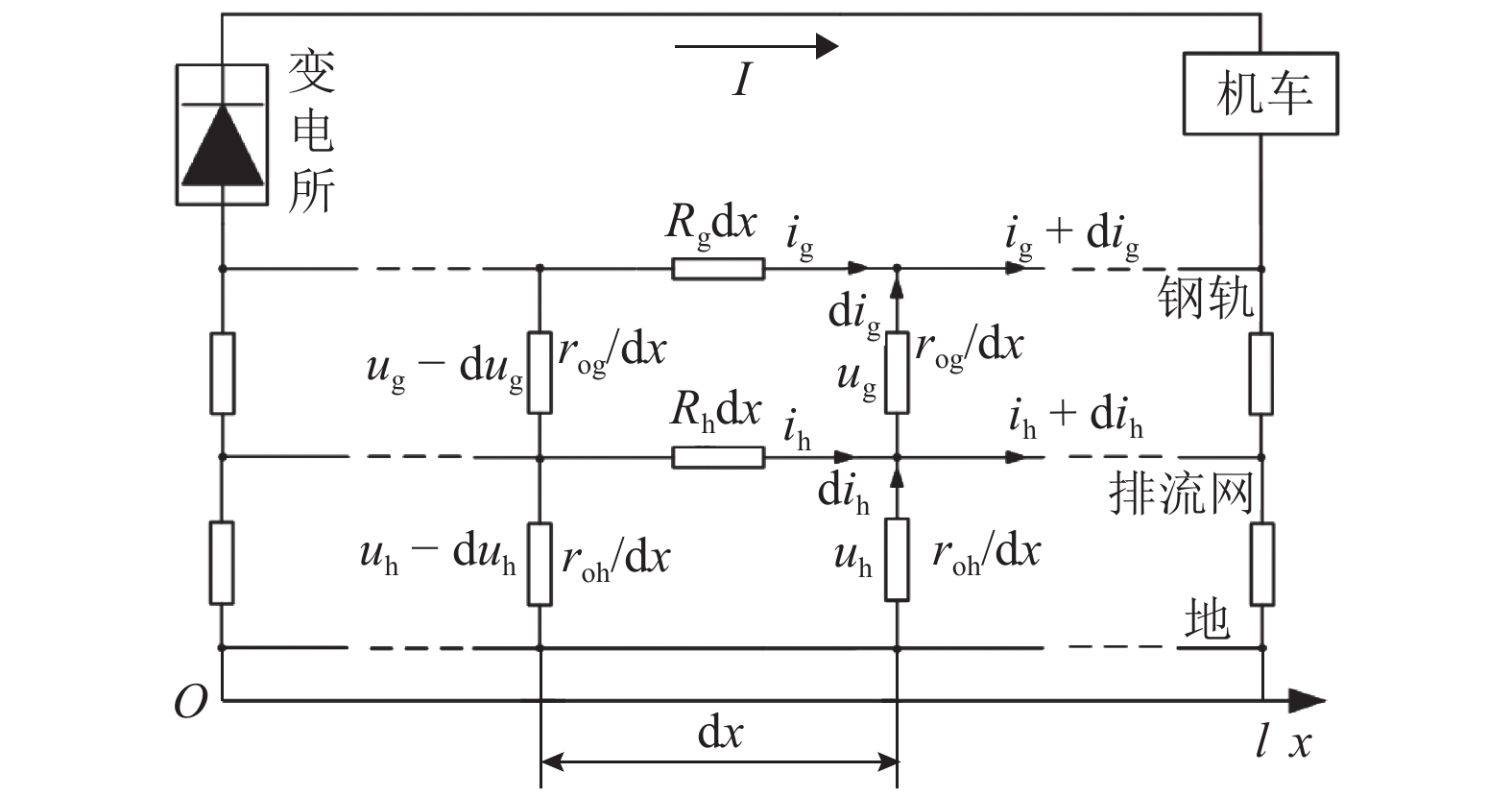
    图 3  轨-排-地电阻网络结构模型

    Figure 3.  Resistance network structure model of rail-drainage net-ground

    图 4  解析计算与CDEGS仿真结果

    Figure 4.  Analytical calculation and CDEGS simulation results

    图 5  牵引网等效电路示意

    Figure 5.  Diagram of equivalent circuit of traction network

    图 6  钢轨电位计算与CDEGS仿真结果

    Figure 6.  Rail potential calculation and CDEGS simulation results

    图 7  长时工况下接触复合电压限值

    Figure 7.  Combined touch voltage limit during long-term operation

    图 8  长时工况下钢轨复合电位限值

    Figure 8.  Combined rail poteptial limit during long-term operation

    图 9  无电区长度对钢轨复合电位的影响

    Figure 9.  Influence of free zone length on combined rail potential

    图 10  土壤电阻率对钢轨复合电位的影响

    Figure 10.  Influence of soil resistivity on combined rail potential

    图 11  过渡电阻对钢轨复合电位的影响

    Figure 11.  Influence of transition resistance on combined rail potential

    图 12  钢轨绝缘节对钢轨复合电位的影响

    Figure 12.  Influence of rail insulation joints on combined rail potential

    表  1  牵引供电系统导线电气参数

    Table  1.   Electrical parameters of wire of traction power supply system

    系统名称导线型号计算半径/mm等效半径/mm单位电阻/(Ω•km−1
    交流 接触线 CTMH-150 6.933 5.399 0.1852
    承力索 JTMH-120 6.102 4.753 0.2420
    回流线 LBGLJ-185 7.846 6.111 0.1461
    贯通地线 TJ-95 6.250 4.740 0.2000
    直流 接触线 CTA-120 6.450 6.119 0.1481
    承力索 JT-150 7.900 6.988 0.1220
    下载: 导出CSV
  • [1] 杨耀. 国外大城市轨道交通市域线的发展及其启示[J]. 城市轨道交通研究,2008,11(2): 17-21. doi: 10.3969/j.issn.1007-869X.2008.02.006

    YANG Yao. Development of suburban rail transit in foreign metropolis[J]. Urban Mass Transit, 2008, 11(2): 17-21. doi: 10.3969/j.issn.1007-869X.2008.02.006
    [2] 周海涛. 双制式受流方式在城轨车辆上的应用[J]. 电力机车与城轨车辆,2004,27(1): 46-48. doi: 10.3969/j.issn.1672-1187.2004.01.016

    ZHOU Haitao. Application of dual-current-collection mode on urban masstrans it vehicles[J]. Electric Locomotives & Mass Transit Vehicles, 2004, 27(1): 46-48. doi: 10.3969/j.issn.1672-1187.2004.01.016
    [3] OGUNSOLA A, MARISCOTTI A, SANDROLINI L. Estimation of stray current from a DC-electrified railway and impressed potential on a buried pipe[J]. IEEE Transactions on Power Delivery, 2012, 27(4): 2238-2246. doi: 10.1109/TPWRD.2012.2211623
    [4] TZENG Y S, LEE C H. Analysis of rail potential and stray currents in a direct-current transit system[J]. IEEE Transactions on Power Delivery, 2010, 25(3): 1516-1525. doi: 10.1109/TPWRD.2010.2040631
    [5] 闫明富,李夏青,王奎鹃. 地铁钢轨电位和杂散电流分布研究及仿真[J]. 北京石油化工学院学报,2013,21(1): 37-41. doi: 10.3969/j.issn.1008-2565.2013.01.010

    YAN Mingfu, LI Xiaqing, WANG Kuijuan. Research and simulation of metro rail potential and stray current distribution[J]. Journal of Beijing Institute of Petro-Chemical Technology, 2013, 21(1): 37-41. doi: 10.3969/j.issn.1008-2565.2013.01.010
    [6] 陈民武,赵鑫,丁大鹏,等. 城市轨道交通供电系统钢轨电位限制装置操作过电压研究[J]. 中国铁道科学,2017,38(6): 94-99. doi: 10.3969/j.issn.1001-4632.2017.06.13

    CHEN Minwu, ZHAO Xin, DING Dapeng, et al. Research on switching surge of rail over-voltage protection device in power supply system for urban rail transit[J]. China Railway Science, 2017, 38(6): 94-99. doi: 10.3969/j.issn.1001-4632.2017.06.13
    [7] 曹晓斌,何方方. 铁路站场牵引回流系统的回流特性研究[J]. 铁道学报,2017,39(12): 43-49. doi: 10.3969/j.issn.1001-8360.2017.12.007

    CAO Xiaobin, HE Fangfang. Research on return current characteristics of traction return current system in station yard[J]. Journal of the China Railway Society, 2017, 39(12): 43-49. doi: 10.3969/j.issn.1001-8360.2017.12.007
    [8] 张民,何正友,方雷,等. 自耦变压器供电方式下降低高速铁路钢轨电位的方法及其仿真分析[J]. 电网技术,2011,35(3): 80-84.

    ZHANG Min, HE Zhengyou, FANG Lei, et al. Methods to reduce rail potential of high-speed railway adopting autotransformer feeding system and simulation analysis on them[J]. Power System Technology, 2011, 35(3): 80-84.
    [9] XIE S F. Study on methods to reducing rail potential of high-speed railway[C]//32nd Annual Conference on IEEE Industrial Electronics. Paris: IEEE, 2006: 1042-1046.
    [10] 蔡力,王建国,樊亚东,等. 地铁走行轨对地过渡电阻杂散电流分布的影响[J]. 高电压技术,2015,41(11): 3604-3610.

    CAI Li, WANG Jianguo, FAN Yadong, et al. Influence of the track-to-earth resistance of subway on stray current distribution[J]. High Voltage Engineering, 2015, 41(11): 3604-3610.
    [11] 朱峰,李嘉成,李朋真,等. 电气化铁路钢轨交流内阻抗计算[J]. 铁道学报,2017,39(12): 38-42. doi: 10.3969/j.issn.1001-8360.2017.12.006

    ZHU Feng, LI Jiacheng, LI Pengzhen, et al. Calculation of alternating-current impedance for the rail of electric railway[J]. Journal of the China Railway Society, 2017, 39(12): 38-42. doi: 10.3969/j.issn.1001-8360.2017.12.006
    [12] 朱峰,李嘉成,曾海波,等. 城市轨道交通轨地过渡电阻对杂散电流分布特性的影响[J]. 高电压技术,2018,44(8): 2738-2745.

    ZHU Feng, LI Jiacheng, ZENG Haibo, et al. Influence of rail-to-ground resistance of urban transit systems on distribution characteristics of stray current[J]. High Voltage Engineering, 2018, 44(8): 2738-2745.
    [13] ZABOLI A, VAHIDI B, YOUSEFI S, et al. Evaluation and control of stray current in DC-electrified railway systems[J]. IEEE Transactions on Vehicular Technology, 2017, 66(2): 974-980. doi: 10.1109/TVT.2016.2555485
    [14] 邓明丽. 高速及重载铁路牵引回流钢轨电位规律的研究[D]. 成都: 西南交通大学, 2009.
    [15] 李群湛, 贺建闽. 牵引供电系统分析[M]. 成都: 西南交通大学出版社, 2007.
    [16] IX-IEC. Railway applications-fixed installations-electrical safety, earthing and the return circuit-part 3: Mutual interaction of A. C. and D. C. traction systems: IEC 62128-3—2013[S]. Geneva: IEC, 2013
    [17] 国家市场监督管理总局, 国家标准化管理委员会. 轨道交通 地面装置 电气安全、接地和回流 第1部分: 电击防护措施: GB/T 28026.1—2018[S]. 北京: 中国标准出版社, 2018.
    [18] 中华人民共和国住房和城乡建设部. 城市轨道交通技术规范: GB 50490—2009[S]. 北京: 中国建筑工业出版社, 2009.
    [19] 中华人民共和国建设部. 地铁杂散电流腐蚀防护技术规程: CJJ 49—1992[S]. 北京: 中国建筑工业出版社, 1993.
    [20] 解绍锋, 汪吉健, 魏宏伟, 等. 高速铁路钢轨电位计算及限制方案研究[C]//中国铁道学会电气化委员会2006年学术会议论文集. 西安: 中国铁道学会电气化委员会, 2006: 324-328.
  • 加载中
图(12) / 表(1)
计量
  • 文章访问数:  517
  • HTML全文浏览量:  374
  • PDF下载量:  28
  • 被引次数: 0
出版历程
  • 收稿日期:  2020-09-04
  • 修回日期:  2021-01-13
  • 刊出日期:  2021-04-15

目录

    /

    返回文章
    返回