• ISSN 0258-2724
  • CN 51-1277/U
  • EI Compendex
  • Scopus
  • Indexed by Core Journals of China, Chinese S&T Journal Citation Reports
  • Chinese S&T Journal Citation Reports
  • Chinese Science Citation Database
Volume 61 Issue 1
Feb.  2026
Turn off MathJax
Article Contents
ZHANG Liyan, WANG Fan, LI Ao, HE Kun. Performance Analysis and Optimization of High-Voltage Dedicated Line Continuous Power Supply System Based on Hybrid Lines[J]. Journal of Southwest Jiaotong University, 2026, 61(1): 178-188. doi: 10.3969/j.issn.0258-2724.20230709
Citation: ZHANG Liyan, WANG Fan, LI Ao, HE Kun. Performance Analysis and Optimization of High-Voltage Dedicated Line Continuous Power Supply System Based on Hybrid Lines[J]. Journal of Southwest Jiaotong University, 2026, 61(1): 178-188. doi: 10.3969/j.issn.0258-2724.20230709

Performance Analysis and Optimization of High-Voltage Dedicated Line Continuous Power Supply System Based on Hybrid Lines

doi: 10.3969/j.issn.0258-2724.20230709
  • Received Date: 27 Dec 2023
  • Rev Recd Date: 12 Apr 2024
  • Available Online: 12 Jul 2025
  • Publish Date: 17 Apr 2024
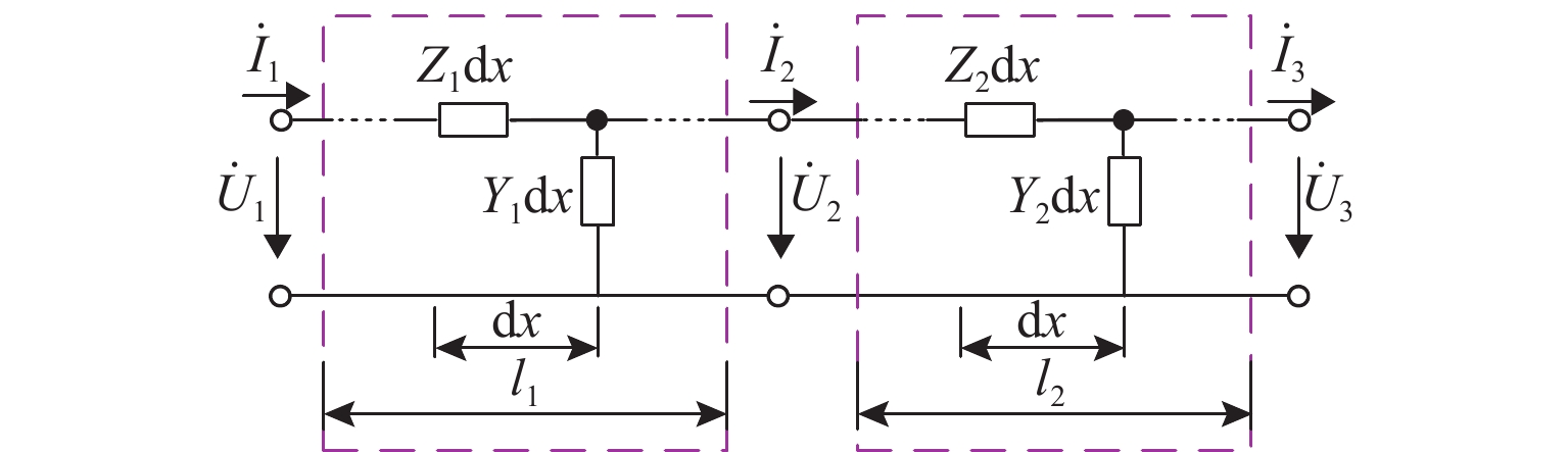
  • To address the power frequency overvoltage and high costs caused by cable applications in high-voltage dedicated line continuous power supply systems, an optimized hybrid line configuration scheme was proposed. First, a no-load equivalent circuit model was established using two-port network theory, and the distribution laws of voltage and no-load circulating currents along the hybrid lines were theoretically derived by incorporating the distributed parameters of the lines. Second, a π-type equivalent circuit of the system was constructed through port equivalence, and a unified multi-load power flow model was developed using a network splitting algorithm. A calculation method for system equivalent impedance and the traction network’s maximum supply distance was proposed to quantitatively evaluate the power supply capability of hybrid lines. Furthermore, to minimize the total life cycle cost, the proportion of cable and overhead line installations was optimized. Simulation results demonstrate that the “cable + overhead line” scheme effectively suppresses power frequency overvoltage, reduces no-load current to one-third of that in pure cable configurations, and retains the long-distance supply advantage of cables (maximum supply distance of 95 km), saving approximately 5.1 million yuan in investment compared to conventional schemes.

     

  • loading
  • [1]
    CHEN S L, LI R J, HSI P H. Traction system unbalance problem-analysis methodologies[J]. IEEE Transactions on Power Delivery, 2004, 19(4): 1877-1883. doi: 10.1109/TPWRD.2004.829920
    [2]
    李群湛, 贺建闽. 牵引供电系统分析[M]. 成都: 西南交通大学出版社, 2007: 129-138.
    [3]
    HE X Q, SHU Z L, PENG X, et al. Advanced cophase traction power supply system based on three-phase to single-phase converter[J]. IEEE Transactions on Power Electronics, 2014, 29(10): 5323-5333. doi: 10.1109/TPEL.2013.2292612
    [4]
    ZHAO W, TIAN X, JIANG Q R, et al. Analysis of problems during locomotive passing neutral section and novel neutral section passing scheme[C]//2018 IEEE Transportation Electrification Conference and Expo, Asia-Pacific (ITEC Asia-Pacific). Bangkok: IEEE, 2018: 1-6.
    [5]
    MIAO R, WU C X, ZHU K, et al. Integrated optimisation model for neutral section location planning and energy-efficient train control in electrified railways[J]. IET Renewable Power Generation, 2020, 14(18): 3599-3607. doi: 10.1049/iet-rpg.2020.0142
    [6]
    LI Q Z. New generation traction power supply system and its key technologies for electrified railways[J]. Journal of Modern Transportation, 2015, 23(1): 1-11. doi: 10.1007/s40534-015-0067-1
    [7]
    ZHANG L Y, LIANG S W, LI X, et al. Modelling on novel cable traction power supply system and power distribution analysis[J]. IEEE Transactions on Power Delivery, 2022, 37(2): 745-754. doi: 10.1109/TPWRD.2021.3069980
    [8]
    李群湛, 王辉, 黄文勋, 等. 电气化铁路牵引变电所群贯通供电系统及其关键技术[J]. 电工技术学报, 2021, 36(5): 1064-1074.

    LI Qunzhan, WANG Hui, HUANG Wenxun, et al. Interconnected power supply system of traction substation group and its key technologies for the electrified railway[J]. Transactions of China Electrotechnical Society, 2021, 36(5): 1064-1074.
    [9]
    张丽艳, 王凡, 李澳, 等. 高压专线贯通供电系统建模及运行特性分析[J]. 西南交通大学学报, 2025, 60(5): 1-10.

    ZHANG Liyan, WANG Fan, LI Ao, et al. Modeling and operation characteristic analysis of high-voltage dedicated line continuous power supply system[J]. Journal of Southwest Jiaotong University, 2025, 60(5): 1-10.
    [10]
    BENATO R, NAPOLITANO D. Overall cost comparison between cable and overhead lines including the costs for repair after random failures[J]. IEEE Transactions on Power Delivery, 2012, 27(3): 1213-1222. doi: 10.1109/TPWRD.2012.2191803
    [11]
    王辉, 李群湛, 刘炜, 等. 基于牵引电缆的电气化铁路牵引网长距离供电方案[J]. 中国铁道科学, 2021, 42(1): 137-146.

    WANG Hui, LI Qunzhan, LIU Wei, et al. Scheme of long distance power supply for electrified railway traction network based on traction cable[J]. China Railway Science, 2021, 42(1): 137-146.
    [12]
    郭鑫鑫, 李群湛, 解绍锋, 等. 电气化铁路高压电缆牵引网电气特性研究[J]. 电力自动化设备, 2015, 35(12): 132-137.

    GUO Xinxin, LI Qunzhan, XIE Shaofeng, et al. Electrical characteristic of cable traction network for electrified railway[J]. Electric Power Automation Equipment, 2015, 35(12): 132-137.
    [13]
    周婷, 解绍锋. 电气化铁路新型电缆供电方案[J]. 电力自动化设备, 2018, 38(7): 189-195, 206.

    ZHOU Ting, XIE Shaofeng. New-type cable traction power supply scheme of electric railroad[J]. Electric Power Automation Equipment, 2018, 38(7): 189-195, 206.
    [14]
    田震. 高原电气化铁路长距离供电方案优化设计研究[D]. 成都: 西南交通大学, 2019.
    [15]
    LAURIA S, GATTA F M, COLLA L. Shunt compensation of EHV cables and mixed overhead-cable lines[C]//2007 IEEE Lausanne Power Tech. Lausanne: IEEE, 2007: 1344-1349.
    [16]
    GATTA F M, LAURIA S. Very long EHV cables and mixed overhead-cable lines. steady-state operation[C]// 2005 IEEE Russia PowerTech. Saint Petersburg: IEEE, 2005: 1-7.
    [17]
    JUDENDORFER T, PACK S, MUHR M. Aspects of high voltage cable sections in modern overhead line transmission systems[C]//2008 International Conference on High Voltage Engineering and Application. Chongqing: IEEE, 2008: 71-75.
    [18]
    韩祯祥. 电力系统分析[M]. 3版. 杭州: 浙江大学出版社, 2005: 114-125.
    [19]
    邱关源. 电路-下册[M]. 3版. 北京: 高等教育出版社, 1989: 185-198.
    [20]
    张伯明, 陈寿孙, 严正. 高等电力网络分析[M]. 2版. 北京: 清华大学出版社, 2007: 5-10.
    [21]
    张丽艳, 郑兴, 罗博, 等. 考虑接触网-钢轨耦合关系及再生制动能量的新型电缆贯通供电系统电气特性[J]. 中国铁道科学, 2023, 44(3): 164-177. doi: 10.3969/j.issn.1001-4632.2023.03.18

    ZHANG Liyan, ZHENG Xing, LUO Bo, et al. Electrical characteristics of new continuous cable power supply system considering catenary-rail coupling relationship and regenerative braking energy[J]. China Railway Science, 2023, 44(3): 164-177. doi: 10.3969/j.issn.1001-4632.2023.03.18
    [22]
    张丽艳, 罗博, 郑兴, 等. 新型电缆贯通供电系统的保护方案[J]. 西南交通大学学报, 2023, 58(5): 1135-1144. doi: 10.3969/j.issn.0258-2724.20220510

    ZHANG Liyan, LUO Bo, ZHENG Xing, et al. Protection scheme of new continuous cable power supply system[J]. Journal of Southwest Jiaotong University, 2023, 58(5): 1135-1144. doi: 10.3969/j.issn.0258-2724.20220510
    [23]
    张丽艳, 罗博, 郑兴. 新型电缆贯通供电系统短路特性分析[J]. 西南交通大学学报, 2025, 60(1): 147-155. doi: 10.3969/j.issn.0258-2724.20220290

    ZHANG Liyan, LUO Bo, ZHENG Xing. Short-circuit characteristics analysis of new continuous cable traction power supply system[J]. Journal of Southwest Jiaotong University, 2025, 60(1): 147-155. doi: 10.3969/j.issn.0258-2724.20220290
    [24]
    梁涵卿, 张文亮, 梁旭明. 特高压直流输电导线经济截面选择研究[J]. 中国电机工程学报, 2013, 33(31): 114-119, 14.

    LIANG Hanqing, ZHANG Wenliang, LIANG Xuming. Research on economic optimization of section areas of conductors for UHVDC projects[J]. Proceedings of the CSEE, 2013, 33(31): 114-119, 14.
    [25]
    张恒, 王辉, 李群湛, 等. 采用自耦变压器供电的重载铁路牵引电缆贯通供电系统供电方案[J]. 电力自动化设备, 2021, 41(1): 204-213.

    ZHANG Heng, WANG Hui, LI Qunzhan, et al. Power supply scheme of traction cable co-phase connected power supply system for heavy-haul railway powered by AT[J]. Electric Power Automation Equipment, 2021, 41(1): 204-213.
  • 加载中

Catalog

    通讯作者: 陈斌, bchen63@163.com
    • 1. 

      沈阳化工大学材料科学与工程学院 沈阳 110142

    1. 本站搜索
    2. 百度学术搜索
    3. 万方数据库搜索
    4. CNKI搜索

    Figures(12)  / Tables(2)

    Article views(150) PDF downloads(28) Cited by()
    Proportional views
    Related

    /

    DownLoad:  Full-Size Img  PowerPoint
    Return
    Return